Warengruppen
Vorrichtungsfüße mit Innengewinde
B0185

Vorrichtungsfüße mit Innengewinde

zurück

Artikelbeschreibung/Produktabbildungen

Alle Artikel aufrufen/filtern
BeschreibungWerkstoff:Körper Vergütungsstahl.Ausführung:Körper vergütet und brüniert.
Auflageflächen einsatzgehärtet.
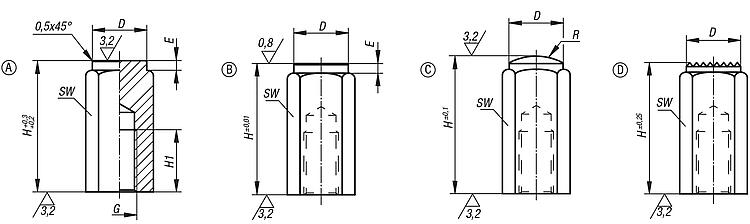
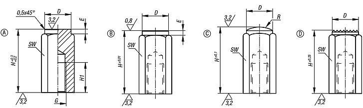
Hinweis:Die Vorrichtungsfüße werden zum Stützen von unbearbeiteten und bearbeiteten Werkstücken und Vorrichtungen verwendet. Darüber hinaus dienen sie als Anschläge und Druckstücke im Vorrichtungs- und Werkzeugbau.Zeichnungshinweis:
Form A: Planfläche gehärtet
Form B: Planfläche geschliffen und gehärtet
Form C: Kugelfläche gehärtet
Form D: Riffelfläche vergütet
Besonderheiten:
RoHS
DownloadHier gibt es die Informationen gesammelt als PDF:

Suchen Sie CAD Daten? Diese finden Sie direkt in der Produkttabelle.
 Datenblatt B0185 Vorrichtungsfüße mit Innengewinde 213 kB

Zeichnungen (Gesamtübersicht)

Vorrichtungsfüße mit Innengewinde

Vorrichtungsfüße mit Innengewinde, Form A Planfläche gehärtet

mehr Info

Zeichnungen

Vorrichtungsfüße mit Innengewinde, Form A Planfläche gehärtet

Artikelauswahl/-filter

BestellnummerFormDEGHTSWCADZub.PreisBestellen
B0185.106X20A9,52M6201210 5,48 €
B0185.106X40A9,52M6401210 5,25 €
B0185.110X32A16,53M10321817 8,77 €
B0185.110X63A16,53M10631817 9,45 €
B0185.112X32A18,53M12321819 10,83 €
B0185.112X63A18,53M12631819 11,70 €
B0185.116X50A234M16502424 13,44 €
B0185.116X100A234M161002424 14,89 €

Vorrichtungsfüße mit Innengewinde, Form B Planfläche geschliffen und gehärtet

mehr Info

Zeichnungen

Vorrichtungsfüße mit Innengewinde, Form B Planfläche geschliffen und gehärtet

Artikelauswahl/-filter

BestellnummerFormDEGHTSWCADZub.PreisBestellen
B0185.206X20B9,52M6201210 11,35 €
B0185.206X40B9,52M6401210 10,57 €
B0185.210X32B16,53M10321817 12,89 €
B0185.210X63B16,53M10631817 14,73 €
B0185.212X32B18,53M12321819 16,73 €
B0185.212X63B18,53M12631819 17,12 €
B0185.216X50B234M16502424 19,35 €
B0185.216X100B234M161002424 20,30 €

Vorrichtungsfüße mit Innengewinde, Form C Kugelfläche gehärtet

mehr Info

Zeichnungen

Vorrichtungsfüße mit Innengewinde, Form C Kugelfläche gehärtet

Artikelauswahl/-filter

BestellnummerFormDGHRTSWCADZub.PreisBestellen
B0185.306X20C9,5M620151210 12,32 €
B0185.306X40C9,5M640151210 12,13 €
B0185.310X32C16,5M1032301817 10,22 €
B0185.310X63C16,5M1063301817 10,88 €
B0185.312X32C18,5M1232351819 14,21 €
B0185.312X63C18,5M1263351819 14,54 €
B0185.316X50C23M1650402424 22,33 €
B0185.316X100C23M16100402424 27,92 €

Vorrichtungsfüße mit Innengewinde, Form D Riffelfläche vergütet

mehr Info

Zeichnungen

Vorrichtungsfüße mit Innengewinde, Form D Riffelfläche vergütet

Artikelauswahl/-filter

BestellnummerFormDGHTSWCADZub.PreisBestellen
B0185.406X20D9,5M6201210 15,21 €
B0185.406X40D9,5M6401210 13,66 €
B0185.410X32D16,5M10321817 21,91 €
B0185.410X63D16,5M10631817 21,91 €
B0185.412X32D18,5M12321819 24,59 €
B0185.412X63D18,5M12631819 25,03 €
B0185.416X50D23M16502424 43,50 €
B0185.416X100D23M161002424 36,50 €
Suche
MeinACCOUNTE-MailPasswort
Warenkorb
Artikelanzahl: 0
Summe: 0,00  
Anzeigen
Schnellbestellung
Deutschland
Sitemap Drucken Top
Copyright © 2025 NORMTEILWERK ROBERT BLOHM GmbH. All rights reserved. Tel. +49 (0) 41 55 / 80 08-0 · Fax +49 (0) 41 55 / 81 11 31