Warengruppen
Aufnahme- und Auflagebolzen DIN 6321
B0180

Aufnahme- und Auflagebolzen DIN 6321

zurück

Artikelbeschreibung/Produktabbildungen

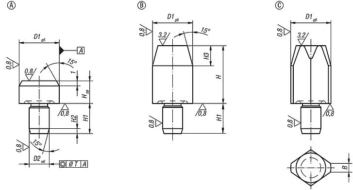
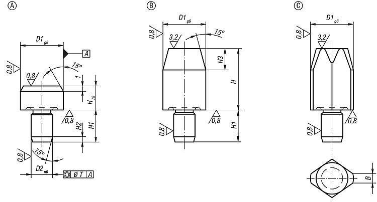
BeschreibungWerkstoff:Werkzeugstahl.Ausführung:gehärtet und geschliffen.Hinweis:Auflagebolzen Form A dienen als Auflage für Werkstücke und Vorrichtungen. Aufnahmebolzen Form B dienen zum Positionieren von Werkstücken und Vorrichtungsteilen in Bohrungen mit Passmaß.
Mit der abgeflachten Form C können Toleranzen im Abstandsmaß von Bohrungen überbrückt oder das zu positionierende Teil nur in eine Richtung festgelegt werden.
Die Formen A und B sind auch als gehärtete Anschläge und als Füße für Vorrichtungen verwendbar.
Ähnliche Bolzen siehe B0177 und B0178.
Zeichnungshinweis:
Form A: Auflagebolzen
Form B: Aufnahmebolzen zylindrisch
Form C: Aufnahmebolzen abgeflacht

Übrige Maße und Angaben wie Form A.
DownloadHier gibt es die Informationen gesammelt als PDF:

Suchen Sie CAD Daten? Diese finden Sie direkt in der Produkttabelle.
 Datenblatt B0180 Aufnahme- und Auflagebolzen DIN 6321 286 kB

Zeichnungen (Gesamtübersicht)

Aufnahme- und Auflagebolzen DIN 6321

Auflagebolzen, Form A

mehr Info

Zeichnungen

Auflagebolzen, Form A

Artikelauswahl/-filter

BestellnummerFormAusführung 1D1

D2HH1H2TCADZub.PreisBestellen
B0180.106Aohne Zentrierbohrung64561,20,02 4,25 €
B0180.110Aohne Zentrierbohrung106691,60,02 4,80 €
B0180.116Aohne Zentrierbohrung16881220,04 6,19 €
B0180.125Aohne Zentrierbohrung251210182,50,04 9,24 €

Aufnahmebolzen zylindrisch, Form B

mehr Info

Zeichnungen

Aufnahmebolzen zylindrisch, Form B

Artikelauswahl/-filter

BestellnummerFormAusführung 1D1D2HH1H2H3TCADZub.PreisBestellen
B0180.206Bkurze Ausführung64761,240,02 6,54 €
B0180.208Bkurze Ausführung861091,660,02 6,80 €
B0180.210Bkurze Ausführung1061091,660,02 7,02 €
B0180.212Bkurze Ausführung1261091,660,02 7,54 €
B0180.216Bkurze Ausführung1681312280,04 8,97 €
B0180.220Bkurze Ausführung20121518290,04 11,39 €
B0180.225Bkurze Ausführung251215182,590,04 12,32 €
B0180.306Blange Ausführung641261,240,02 6,63 €
B0180.308Blange Ausführung861691,660,02 6,92 €
B0180.310Blange Ausführung1061891,660,02 7,21 €
B0180.312Blange Ausführung1261891,660,02 7,79 €
B0180.316Blange Ausführung1682212280,04 9,03 €
B0180.320Blange Ausführung20122518290,04 11,94 €
B0180.325Blange Ausführung251225182,590,04 13,66 €

Aufnahmebolzen abgeflacht, Form C

mehr Info

Zeichnungen

Aufnahmebolzen abgeflacht, Form C

Artikelauswahl/-filter

BestellnummerFormAusführung 1BD1D2HH1H2H3TCADZub.PreisBestellen
B0180.406Ckurze Ausführung164761,240,02 7,33 €
B0180.408Ckurze Ausführung1,6861091,660,02 7,98 €
B0180.410Ckurze Ausführung2,51061091,660,02 9,46 €
B0180.412Ckurze Ausführung2,51261091,660,02 9,17 €
B0180.416Ckurze Ausführung3,51681312280,04 11,18 €
B0180.420Ckurze Ausführung520121518290,04 16,24 €
B0180.425Ckurze Ausführung5251215182,590,04 16,66 €
B0180.506Clange Ausführung1641261,240,02 7,46 €
B0180.508Clange Ausführung1,6861691,660,02 8,13 €
B0180.510Clange Ausführung2,51061891,660,02 9,58 €
B0180.512Clange Ausführung2,51261891,660,02 10,28 €
B0180.516Clange Ausführung3,51682212280,04 13,87 €
B0180.520Clange Ausführung520122518290,04 16,81 €
B0180.525Clange Ausführung5251225182,590,04 18,90 €
Suche
MeinACCOUNTE-MailPasswort
Warenkorb
Artikelanzahl: 0
Summe: 0,00  
Anzeigen
Schnellbestellung
Deutschland
Sitemap Drucken Top
Copyright © 2025 NORMTEILWERK ROBERT BLOHM GmbH. All rights reserved. Tel. +49 (0) 41 55 / 80 08-0 · Fax +49 (0) 41 55 / 81 11 31