Product groups
Precision indexing plungers, steel with plastic spherical knob and cylindrical indexing pin
B0059

Precision indexing plungers, steel with plastic spherical knob...

go back

Item description/product images

Show/filter all items
DescriptionProduct description:Indexing plungers are used where any change in locking position due to lateral forces should be prevented. A new indexed position can be only be moved to after the pin has been manually retracted.
Form B is recommended for applications where the indexing pin should remain disengaged for an extended period and be prevented from springing back.

The indexing plungers with bushes are a perfect combination for quick positioning and securing. The precise design of both the indexing plunger and the bush guarantees high repeat accuracy when joining two elements.
Material:Free-cutting steel.
Spherical knob thermoplastic.
Version:Hardened and ground,
Spherical knob black-grey RAL7021.
Note:Technical Information see assembly and installation instructions.Drawing reference:
Form A: standard
Form B: lockable
Special features:
RoHS
DownloadHere is all the information as a PDF datasheet:

Are you looking for CAD data? These can be found directly in the product table.
 Datasheet B0059 Precision indexing plungers, steel with plastic spherical knob and cylindrical indexing pin 198 kB
 Assembly and installation instructions for precision indexing plungers 278 kB

Drawings (total overview)

Precision indexing plungers, steel with plastic spherical knob and cylindrical indexing pin

Precision indexing plungers, steel with plastic spherical knob and cylindrical indexing pin, standard

More information

Drawings

Precision indexing plungers, steel with plastic spherical knob and cylindrical indexing pin, standard

Item selection/filter

Order No.FormDD1D2D3LL1L3L5L6Travel
S
Spring force
initial pressure
F1 approx. N
Spring force
final pressure
F2 approx. N
female thread grip ballCADAcc.PriceOrder
B0059.010A101619257925132,531101530M6 70.26 €
B0059.012A12202332913313335101535M8 77.85 €
B0059.016A16252840106,541,513342102050M10 89.54 €
B0059.020A20303340114,541,513350103663M10 101.08 €
B0059.025A253842501345113360102073M10 115.43 €

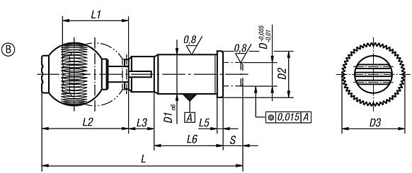
Precision indexing plungers, steel with plastic spherical knob, cylindrical indexing pin and locking slot

More information

Drawings

Precision indexing plungers, steel with plastic spherical knob, cylindrical indexing pin and locking slot

Item selection/filter

Order No.FormDD1D2D3LL1L2L3L5L6Travel
S
Spring force
initial pressure
F1 approx. N
Spring force
final pressure
F2 approx. N
female thread grip ballCADAcc.PriceOrder
B0059.110B10161925792536,5132,531101530M6 78.19 €
B0059.112B12202332913344,513335101535M8 86.75 €
B0059.116B16252840106,541,55313342102050M10 98.48 €
B0059.120B20303340114,541,55313350103663M10 111.22 €
B0059.125B253842501345162,513360102073M10 124.68 €
Search
Shopping cart
Number of items: 0
Amount: 0.00  
Display
Speed ordering
Germany
Sitemap Print Top
Copyright © 2025 NORMTEILWERK ROBERT BLOHM GmbH. All rights reserved. Tel. +49 (0) 41 55 / 80 08-0 · Fax +49 (0) 41 55 / 81 11 31