|
|
|
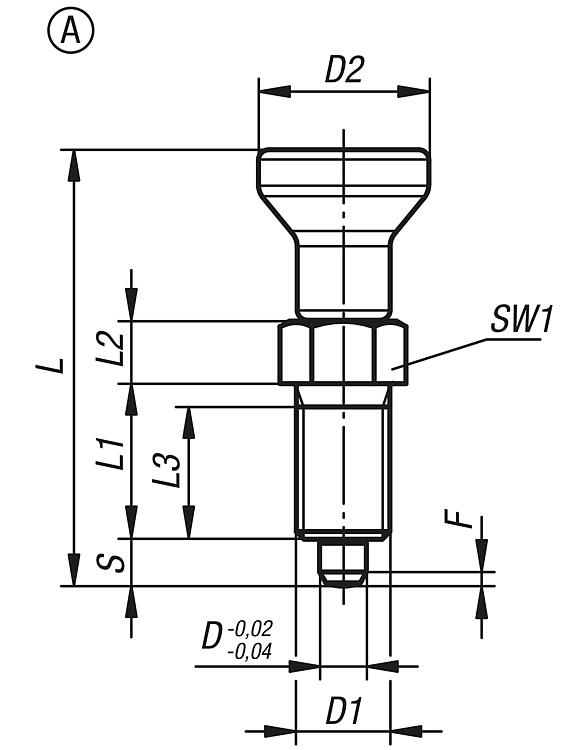
B0052Indexing plungers, stainless steel with stainless steel mushroom... |
go back |
|
|
DescriptionProduct description:Indexing plungers are used to prevent any change in locking position due to lateral forces. A new locking position can only be set after the pin has been manually disengaged. Form C or D is recommended for applications where the plunger remains disengaged over a long period and the pin should be prevented from springing back.Material:Stainless steel version A1:
Threaded sleeve and mushroom grip 1.4305.
Indexing pin hardened 1.4034.
Indexing pin not hardened 1.4305.
Stainless steel version A4:
Threaded sleeve, mushroom grip and indexing pin 1.4404. Version:Stainless steel version A1: Threaded sleeve and mushroom grip bright. Indexing pin hardened and ground, bright. Indexing pin not hardened and ground, bright.
Stainless steel version A4: Threaded sleeve bright. Mushroom grip bright or abrasive blasted. Indexing pin ground and chemically nickel-plated. Indexing pin ground, bright.Note:The materials used enable a wide range of applications. Indexing plungers made from A4 stainless steel are recommended for applications with very high corrosion resistance requirements. On request:Special versions.Accessory:Spacer rings B0064Drawing reference:Form A: non-lockout type, without locknut Form B: non-lockout type, with locknut Form C: lockout type, without locknut Form D: lockout type, with locknut Special features: DownloadHere is all the information as a PDF datasheet:
Are you looking for CAD data? These can be found directly in the product table.
|
Drawings (total overview) |
Indexing plungers, stainless steel with stainless steel mushroom grip |
More information |
| Order No. | Form | Main material | Steel key | Mushroom grip
| locating pin | D | D1 | D2 | L | L1 | L2 | L3 | Travel S | SW1 | Fx30° | Spring force initial pressure F1 approx. N | Spring force final pressure F2 approx. N | CAD | Acc. | Price | Order |
|---|
| B0052.001903 | A | stainless steel | 1.4034 | - | hardened | 3 | M6x0,75 | 14 | 34,5 | 12 | 5 | 10 | 3,5 | 8 | 0,8 | 4,5 | 10 |  | | 16.97 € | | | B0052.001004 | A | stainless steel | 1.4034 | - | hardened | 4 | M8x1 | 18 | 43 | 15 | 6 | 13 | 4 | 10 | 1 | 6 | 12 |  |  | 16.17 € | | | B0052.001105 | A | stainless steel | 1.4034 | - | hardened | 5 | M10x1 | 21 | 50 | 17 | 7 | 15 | 5 | 13 | 1,3 | 5 | 12 |  |  | 13.85 € | | | B0052.001206 | A | stainless steel | 1.4034 | - | hardened | 6 | M12x1,5 | 25 | 59 | 20 | 8 | 17 | 6 | 14 | 1,8 | 6 | 14 |  |  | 16.37 € | | | B0052.001308 | A | stainless steel | 1.4034 | - | hardened | 8 | M16x1,5 | 33 | 77 | 26 | 10 | 23 | 8 | 19 | 2,3 | 15 | 35 |  |  | 22.91 € | | | B0052.001410 | A | stainless steel | 1.4034 | - | hardened | 10 | M20x1,5 | 33 | 83 | 28 | 12 | 25 | 10 | 22 | 2,8 | 15 | 34 |  | | 27.23 € | | | B0052.001412 | A | stainless steel | 1.4034 | - | hardened | 12 | M20x1,5 | 33 | 87 | 28 | 14 | 25 | 12 | 22 | 2,8 | 15 | 39 |  | | 45.28 € | | | B0052.001516 | A | stainless steel | 1.4034 | - | hardened | 16 | M24x2 | 40 | 106 | 32 | 18 | 28 | 16 | 27 | 3,2 | 20 | 46 |  | | 51.46 € | | | B0052.111903 | A | stainless steel | 1.4305 | - | not hardened | 3 | M6x0,75 | 14 | 34,5 | 12 | 5 | 10 | 3,5 | 8 | 0,8 | 4,5 | 10 |  | | 16.97 € | | | B0052.111004 | A | stainless steel | 1.4305 | - | not hardened | 4 | M8x1 | 18 | 43 | 15 | 6 | 13 | 4 | 10 | 1 | 6 | 12 |  |  | 16.17 € | | | B0052.111105 | A | stainless steel | 1.4305 | - | not hardened | 5 | M10x1 | 21 | 50 | 17 | 7 | 15 | 5 | 13 | 1,3 | 5 | 12 |  |  | 13.85 € | | | B0052.111206 | A | stainless steel | 1.4305 | - | not hardened | 6 | M12x1,5 | 25 | 59 | 20 | 8 | 17 | 6 | 14 | 1,8 | 6 | 14 |  |  | 16.37 € | | | B0052.111308 | A | stainless steel | 1.4305 | - | not hardened | 8 | M16x1,5 | 33 | 77 | 26 | 10 | 23 | 8 | 19 | 2,3 | 15 | 35 |  |  | 22.91 € | | | B0052.111410 | A | stainless steel | 1.4305 | - | not hardened | 10 | M20x1,5 | 33 | 83 | 28 | 12 | 25 | 10 | 22 | 2,8 | 15 | 34 |  | | 27.23 € | | | B0052.111412 | A | stainless steel | 1.4305 | - | not hardened | 12 | M20x1,5 | 33 | 87 | 28 | 14 | 25 | 12 | 22 | 2,8 | 15 | 39 |  | | 45.28 € | | | B0052.111516 | A | stainless steel | 1.4305 | - | not hardened | 16 | M24x2 | 40 | 106 | 32 | 18 | 28 | 16 | 27 | 3,2 | 20 | 46 |  | | 51.46 € | | | B0052.061903 | A | stainless steel | 1.4404 | bright | nickel-plated | 3 | M6x0,75 | 14 | 34,5 | 12 | 5 | 10 | 3,5 | 8 | 0,8 | 3 | 6,5 |  | | 22.06 € | | | B0052.061004 | A | stainless steel | 1.4404 | bright | nickel-plated | 4 | M8x1 | 18 | 43 | 15 | 6 | 13 | 4 | 10 | 1 | 7 | 15,5 |  | | 21.03 € | | | B0052.061105 | A | stainless steel | 1.4404 | bright | nickel-plated | 5 | M10x1 | 21 | 50 | 17 | 7 | 15 | 5 | 13 | 1,3 | 4 | 12,5 |  | | 18.00 € | | | B0052.061206 | A | stainless steel | 1.4404 | bright | nickel-plated | 6 | M12x1,5 | 25 | 59 | 20 | 8 | 17 | 6 | 14 | 1,8 | 7 | 14,5 |  | | 21.27 € | | | B0052.061308 | A | stainless steel | 1.4404 | bright | nickel-plated | 8 | M16x1,5 | 33 | 77 | 26 | 10 | 23 | 8 | 19 | 2,3 | 15 | 35 |  | | 29.77 € | | | B0052.061410 | A | stainless steel | 1.4404 | bright | nickel-plated | 10 | M20x1,5 | 33 | 83 | 28 | 12 | 25 | 10 | 22 | 2,8 | 15 | 30 |  | | 32.67 € | | | B0052.061412 | A | stainless steel | 1.4404 | bright | nickel-plated | 12 | M20x1,5 | 33 | 87 | 28 | 14 | 25 | 12 | 22 | 2,8 | 15 | 39 |  | | 47.56 € | | | B0052.061516 | A | stainless steel | 1.4404 | bright | nickel-plated | 16 | M24x2 | 40 | 106 | 32 | 18 | 28 | 16 | 27 | 3,2 | 20 | 40 |  | | 56.61 € | | | B0052.171903 | A | stainless steel | 1.4404 | bright | bright | 3 | M6x0,75 | 14 | 34,5 | 12 | 5 | 10 | 3,5 | 8 | 0,8 | 3 | 6,5 |  | | 22.06 € | | | B0052.171004 | A | stainless steel | 1.4404 | bright | bright | 4 | M8x1 | 18 | 43 | 15 | 6 | 13 | 4 | 10 | 1 | 7 | 15,5 |  | | 21.03 € | | | B0052.171105 | A | stainless steel | 1.4404 | bright | bright | 5 | M10x1 | 21 | 50 | 17 | 7 | 15 | 5 | 13 | 1,3 | 4 | 12,5 |  | | 18.00 € | | | B0052.171206 | A | stainless steel | 1.4404 | bright | bright | 6 | M12x1,5 | 25 | 59 | 20 | 8 | 17 | 6 | 14 | 1,8 | 7 | 14,5 |  | | 21.27 € | | | B0052.171308 | A | stainless steel | 1.4404 | bright | bright | 8 | M16x1,5 | 33 | 77 | 26 | 10 | 23 | 8 | 19 | 2,3 | 15 | 35 |  | | 29.77 € | | | B0052.171410 | A | stainless steel | 1.4404 | bright | bright | 10 | M20x1,5 | 33 | 83 | 28 | 12 | 25 | 10 | 22 | 2,8 | 15 | 30 |  | | 32.67 € | | | B0052.171412 | A | stainless steel | 1.4404 | bright | bright | 12 | M20x1,5 | 33 | 87 | 28 | 14 | 25 | 12 | 22 | 2,8 | 15 | 39 |  | | 47.56 € | | | B0052.171516 | A | stainless steel | 1.4404 | bright | bright | 16 | M24x2 | 40 | 106 | 32 | 18 | 28 | 16 | 27 | 3,2 | 20 | 40 |  | | 56.61 € | | | B0052.0619031 | A | stainless steel | 1.4404 | blasted | nickel-plated | 3 | M6x0,75 | 14 | 34,5 | 12 | 5 | 10 | 3,5 | 8 | 0,8 | 3 | 6,5 |  | | 22.06 € | | | B0052.0610041 | A | stainless steel | 1.4404 | blasted | nickel-plated | 4 | M8x1 | 18 | 43 | 15 | 6 | 13 | 4 | 10 | 1 | 7 | 15,5 |  | | 21.03 € | | | B0052.0611051 | A | stainless steel | 1.4404 | blasted | nickel-plated | 5 | M10x1 | 21 | 50 | 17 | 7 | 15 | 5 | 13 | 1,3 | 4 | 12,5 |  | | 18.00 € | | | B0052.0612061 | A | stainless steel | 1.4404 | blasted | nickel-plated | 6 | M12x1,5 | 25 | 59 | 20 | 8 | 17 | 6 | 14 | 1,8 | 7 | 14,5 |  | | 21.27 € | | | B0052.0613081 | A | stainless steel | 1.4404 | blasted | nickel-plated | 8 | M16x1,5 | 33 | 77 | 26 | 10 | 23 | 8 | 19 | 2,3 | 15 | 35 |  | | 29.77 € | | | B0052.0614101 | A | stainless steel | 1.4404 | blasted | nickel-plated | 10 | M20x1,5 | 33 | 83 | 28 | 12 | 25 | 10 | 22 | 2,8 | 15 | 30 |  | | 32.67 € | | | B0052.0614121 | A | stainless steel | 1.4404 | blasted | nickel-plated | 12 | M20x1,5 | 33 | 87 | 28 | 14 | 25 | 12 | 22 | 2,8 | 15 | 39 |  | | 47.56 € | | | B0052.0615161 | A | stainless steel | 1.4404 | blasted | nickel-plated | 16 | M24x2 | 40 | 106 | 32 | 18 | 28 | 16 | 27 | 3,2 | 20 | 40 |  | | 56.61 € | | | B0052.1719031 | A | stainless steel | 1.4404 | blasted | bright | 3 | M6x0,75 | 14 | 34,5 | 12 | 5 | 10 | 3,5 | 8 | 0,8 | 3 | 6,5 |  | | 22.06 € | | | B0052.1710041 | A | stainless steel | 1.4404 | blasted | bright | 4 | M8x1 | 18 | 43 | 15 | 6 | 13 | 4 | 10 | 1 | 7 | 15,5 |  | | 21.03 € | | | B0052.1711051 | A | stainless steel | 1.4404 | blasted | bright | 5 | M10x1 | 21 | 50 | 17 | 7 | 15 | 5 | 13 | 1,3 | 4 | 12,5 |  | | 18.00 € | | | B0052.1712061 | A | stainless steel | 1.4404 | blasted | bright | 6 | M12x1,5 | 25 | 59 | 20 | 8 | 17 | 6 | 14 | 1,8 | 7 | 14,5 |  | | 21.27 € | | | B0052.1713081 | A | stainless steel | 1.4404 | blasted | bright | 8 | M16x1,5 | 33 | 77 | 26 | 10 | 23 | 8 | 19 | 2,3 | 15 | 35 |  | | 29.77 € | | | B0052.1714101 | A | stainless steel | 1.4404 | blasted | bright | 10 | M20x1,5 | 33 | 83 | 28 | 12 | 25 | 10 | 22 | 2,8 | 15 | 30 |  | | 32.67 € | | | B0052.1714121 | A | stainless steel | 1.4404 | blasted | bright | 12 | M20x1,5 | 33 | 87 | 28 | 14 | 25 | 12 | 22 | 2,8 | 15 | 39 |  | | 47.56 € | | | B0052.1715161 | A | stainless steel | 1.4404 | blasted | bright | 16 | M24x2 | 40 | 106 | 32 | 18 | 28 | 16 | 27 | 3,2 | 20 | 40 |  | | 56.61 € | |
|
Indexing plungers, stainless steel with stainless steel mushroom grip and locknut |
More information |
| Order No. | Form | Main material | Steel key | Mushroom grip
| locating pin | D | D1 | D2 | L | L1 | L2 | L3 | Travel S | SW1 | SW2 | Fx30° | Spring force initial pressure F1 approx. N | Spring force final pressure F2 approx. N | CAD | Acc. | Price | Order |
|---|
| B0052.002903 | B | stainless steel | 1.4034 | - | hardened | 3 | M6x0,75 | 14 | 34,5 | 12 | 5 | 10 | 3,5 | 8 | 10 | 0,8 | 4,5 | 10 |  | | 18.14 € | | | B0052.002004 | B | stainless steel | 1.4034 | - | hardened | 4 | M8x1 | 18 | 43 | 15 | 6 | 13 | 4 | 10 | 13 | 1 | 6 | 12 |  |  | 17.26 € | | | B0052.002105 | B | stainless steel | 1.4034 | - | hardened | 5 | M10x1 | 21 | 50 | 17 | 7 | 15 | 5 | 13 | 17 | 1,3 | 5 | 12 |  |  | 14.83 € | | | B0052.002206 | B | stainless steel | 1.4034 | - | hardened | 6 | M12x1,5 | 25 | 59 | 20 | 8 | 17 | 6 | 14 | 19 | 1,8 | 6 | 14 |  |  | 17.42 € | | | B0052.002308 | B | stainless steel | 1.4034 | - | hardened | 8 | M16x1,5 | 33 | 77 | 26 | 10 | 23 | 8 | 19 | 24 | 2,3 | 15 | 35 |  |  | 23.24 € | | | B0052.002410 | B | stainless steel | 1.4034 | - | hardened | 10 | M20x1,5 | 33 | 83 | 28 | 12 | 25 | 10 | 22 | 30 | 2,8 | 15 | 34 |  | | 29.86 € | | | B0052.002412 | B | stainless steel | 1.4034 | - | hardened | 12 | M20x1,5 | 33 | 87 | 28 | 14 | 25 | 12 | 22 | 30 | 2,8 | 15 | 39 |  | | 46.89 € | | | B0052.002516 | B | stainless steel | 1.4034 | - | hardened | 16 | M24x2 | 40 | 106 | 32 | 18 | 28 | 16 | 27 | 36 | 3,2 | 20 | 46 |  | | 53.30 € | | | B0052.112903 | B | stainless steel | 1.4305 | - | not hardened | 3 | M6x0,75 | 14 | 34,5 | 12 | 5 | 10 | 3,5 | 8 | 10 | 0,8 | 4,5 | 10 |  | | 18.14 € | | | B0052.112004 | B | stainless steel | 1.4305 | - | not hardened | 4 | M8x1 | 18 | 43 | 15 | 6 | 13 | 4 | 10 | 13 | 1 | 6 | 12 |  |  | 17.26 € | | | B0052.112105 | B | stainless steel | 1.4305 | - | not hardened | 5 | M10x1 | 21 | 50 | 17 | 7 | 15 | 5 | 13 | 17 | 1,3 | 5 | 12 |  |  | 14.83 € | | | B0052.112206 | B | stainless steel | 1.4305 | - | not hardened | 6 | M12x1,5 | 25 | 59 | 20 | 8 | 17 | 6 | 14 | 19 | 1,8 | 6 | 14 |  |  | 17.42 € | | | B0052.112308 | B | stainless steel | 1.4305 | - | not hardened | 8 | M16x1,5 | 33 | 77 | 26 | 10 | 23 | 8 | 19 | 24 | 2,3 | 15 | 35 |  |  | 23.24 € | | | B0052.112410 | B | stainless steel | 1.4305 | - | not hardened | 10 | M20x1,5 | 33 | 83 | 28 | 12 | 25 | 10 | 22 | 30 | 2,8 | 15 | 34 |  | | 29.86 € | | | B0052.112412 | B | stainless steel | 1.4305 | - | not hardened | 12 | M20x1,5 | 33 | 87 | 28 | 14 | 25 | 12 | 22 | 30 | 2,8 | 15 | 39 |  | | 46.89 € | | | B0052.112516 | B | stainless steel | 1.4305 | - | not hardened | 16 | M24x2 | 40 | 106 | 32 | 18 | 28 | 16 | 27 | 36 | 3,2 | 20 | 46 |  | | 53.30 € | | | B0052.062903 | B | stainless steel | 1.4404 | bright | nickel-plated | 3 | M6x0,75 | 14 | 34,5 | 12 | 5 | 10 | 3,5 | 8 | 10 | 0,8 | 3 | 6,5 |  | | 23.59 € | | | B0052.062004 | B | stainless steel | 1.4404 | bright | nickel-plated | 4 | M8x1 | 18 | 43 | 15 | 6 | 13 | 4 | 10 | 13 | 1 | 7 | 15,5 |  | | 22.44 € | | | B0052.062105 | B | stainless steel | 1.4404 | bright | nickel-plated | 5 | M10x1 | 21 | 50 | 17 | 7 | 15 | 5 | 13 | 17 | 1,3 | 4 | 12,5 |  | | 19.28 € | | | B0052.062206 | B | stainless steel | 1.4404 | bright | nickel-plated | 6 | M12x1,5 | 25 | 59 | 20 | 8 | 17 | 6 | 14 | 19 | 1,8 | 7 | 14,5 |  | | 22.64 € | | | B0052.062308 | B | stainless steel | 1.4404 | bright | nickel-plated | 8 | M16x1,5 | 33 | 77 | 26 | 10 | 23 | 8 | 19 | 24 | 2,3 | 15 | 35 |  | | 30.21 € | | | B0052.062410 | B | stainless steel | 1.4404 | bright | nickel-plated | 10 | M20x1,5 | 33 | 83 | 28 | 12 | 25 | 10 | 22 | 30 | 2,8 | 15 | 30 |  | | 35.82 € | | | B0052.062412 | B | stainless steel | 1.4404 | bright | nickel-plated | 12 | M20x1,5 | 33 | 87 | 28 | 14 | 25 | 12 | 22 | 30 | 2,8 | 15 | 39 |  | | 49.24 € | | | B0052.062516 | B | stainless steel | 1.4404 | bright | nickel-plated | 16 | M24x2 | 40 | 106 | 32 | 18 | 28 | 16 | 27 | 36 | 3,2 | 20 | 40 |  | | 58.63 € | | | B0052.172903 | B | stainless steel | 1.4404 | bright | bright | 3 | M6x0,75 | 14 | 34,5 | 12 | 5 | 10 | 3,5 | 8 | 10 | 0,8 | 3 | 6,5 |  | | 23.59 € | | | B0052.172004 | B | stainless steel | 1.4404 | bright | bright | 4 | M8x1 | 18 | 43 | 15 | 6 | 13 | 4 | 10 | 13 | 1 | 7 | 15,5 |  | | 22.44 € | | | B0052.172105 | B | stainless steel | 1.4404 | bright | bright | 5 | M10x1 | 21 | 50 | 17 | 7 | 15 | 5 | 13 | 17 | 1,3 | 4 | 12,5 |  | | 19.28 € | | | B0052.172206 | B | stainless steel | 1.4404 | bright | bright | 6 | M12x1,5 | 25 | 59 | 20 | 8 | 17 | 6 | 14 | 19 | 1,8 | 7 | 14,5 |  | | 22.64 € | | | B0052.172308 | B | stainless steel | 1.4404 | bright | bright | 8 | M16x1,5 | 33 | 77 | 26 | 10 | 23 | 8 | 19 | 24 | 2,3 | 15 | 35 |  | | 30.21 € | | | B0052.172410 | B | stainless steel | 1.4404 | bright | bright | 10 | M20x1,5 | 33 | 83 | 28 | 12 | 25 | 10 | 22 | 30 | 2,8 | 15 | 30 |  | | 35.82 € | | | B0052.172412 | B | stainless steel | 1.4404 | bright | bright | 12 | M20x1,5 | 33 | 87 | 28 | 14 | 25 | 12 | 22 | 30 | 2,8 | 15 | 39 |  | | 49.24 € | | | B0052.172516 | B | stainless steel | 1.4404 | bright | bright | 16 | M24x2 | 40 | 106 | 32 | 18 | 28 | 16 | 27 | 36 | 3,2 | 20 | 40 |  | | 58.63 € | | | B0052.0629031 | B | stainless steel | 1.4404 | blasted | nickel-plated | 3 | M6x0,75 | 14 | 34,5 | 12 | 5 | 10 | 3,5 | 8 | 10 | 0,8 | 3 | 6,5 |  | | 23.59 € | | | B0052.0620041 | B | stainless steel | 1.4404 | blasted | nickel-plated | 4 | M8x1 | 18 | 43 | 15 | 6 | 13 | 4 | 10 | 13 | 1 | 7 | 15,5 |  | | 22.44 € | | | B0052.0621051 | B | stainless steel | 1.4404 | blasted | nickel-plated | 5 | M10x1 | 21 | 50 | 17 | 7 | 15 | 5 | 13 | 17 | 1,3 | 4 | 12,5 |  | | 19.28 € | | | B0052.0622061 | B | stainless steel | 1.4404 | blasted | nickel-plated | 6 | M12x1,5 | 25 | 59 | 20 | 8 | 17 | 6 | 14 | 19 | 1,8 | 7 | 14,5 |  | | 22.64 € | | | B0052.0623081 | B | stainless steel | 1.4404 | blasted | nickel-plated | 8 | M16x1,5 | 33 | 77 | 26 | 10 | 23 | 8 | 19 | 24 | 2,3 | 15 | 35 |  | | 30.21 € | | | B0052.0624101 | B | stainless steel | 1.4404 | blasted | nickel-plated | 10 | M20x1,5 | 33 | 83 | 28 | 12 | 25 | 10 | 22 | 30 | 2,8 | 15 | 30 |  | | 35.82 € | | | B0052.0624121 | B | stainless steel | 1.4404 | blasted | nickel-plated | 12 | M20x1,5 | 33 | 87 | 28 | 14 | 25 | 12 | 22 | 30 | 2,8 | 15 | 39 |  | | 49.24 € | | | B0052.0625161 | B | stainless steel | 1.4404 | blasted | nickel-plated | 16 | M24x2 | 40 | 106 | 32 | 18 | 28 | 16 | 27 | 36 | 3,2 | 20 | 40 |  | | 58.63 € | | | B0052.1729031 | B | stainless steel | 1.4404 | blasted | bright | 3 | M6x0,75 | 14 | 34,5 | 12 | 5 | 10 | 3,5 | 8 | 10 | 0,8 | 3 | 6,5 |  | | 23.59 € | | | B0052.1720041 | B | stainless steel | 1.4404 | blasted | bright | 4 | M8x1 | 18 | 43 | 15 | 6 | 13 | 4 | 10 | 13 | 1 | 7 | 15,5 |  | | 22.44 € | | | B0052.1721051 | B | stainless steel | 1.4404 | blasted | bright | 5 | M10x1 | 21 | 50 | 17 | 7 | 15 | 5 | 13 | 17 | 1,3 | 4 | 12,5 |  | | 19.28 € | | | B0052.1722061 | B | stainless steel | 1.4404 | blasted | bright | 6 | M12x1,5 | 25 | 59 | 20 | 8 | 17 | 6 | 14 | 19 | 1,8 | 7 | 14,5 |  | | 22.64 € | | | B0052.1723081 | B | stainless steel | 1.4404 | blasted | bright | 8 | M16x1,5 | 33 | 77 | 26 | 10 | 23 | 8 | 19 | 24 | 2,3 | 15 | 35 |  | | 30.21 € | | | B0052.1724101 | B | stainless steel | 1.4404 | blasted | bright | 10 | M20x1,5 | 33 | 83 | 28 | 12 | 25 | 10 | 22 | 30 | 2,8 | 15 | 30 |  | | 35.82 € | | | B0052.1724121 | B | stainless steel | 1.4404 | blasted | bright | 12 | M20x1,5 | 33 | 87 | 28 | 14 | 25 | 12 | 22 | 30 | 2,8 | 15 | 39 |  | | 49.24 € | | | B0052.1725161 | B | stainless steel | 1.4404 | blasted | bright | 16 | M24x2 | 40 | 106 | 32 | 18 | 28 | 16 | 27 | 36 | 3,2 | 20 | 40 |  | | 58.63 € | |
|
Indexing plungers, stainless steel with stainless steel mushroom grip and locking slot |
More information |
| Order No. | Form | Main material | Steel key | Mushroom grip
| locating pin | D | D1 | D2 | L | L1 | L2 | L3 | Travel S | SW1 | Fx30° | Spring force initial pressure F1 approx. N | Spring force final pressure F2 approx. N | CAD | Acc. | Price | Order |
|---|
| B0052.003903 | C | stainless steel | 1.4034 | - | hardened | 3 | M6x0,75 | 14 | 31,5 | 12 | 5 | 10 | 3,5 | 8 | 0,8 | 4,5 | 10 |  | | 20.41 € | | | B0052.003004 | C | stainless steel | 1.4034 | - | hardened | 4 | M8x1 | 18 | 38,5 | 15 | 6 | 13 | 4 | 10 | 1 | 6 | 12 |  |  | 19.46 € | | | B0052.003105 | C | stainless steel | 1.4034 | - | hardened | 5 | M10x1 | 21 | 43,5 | 17 | 7 | 15 | 5 | 13 | 1,3 | 5 | 12 |  |  | 18.55 € | | | B0052.003206 | C | stainless steel | 1.4034 | - | hardened | 6 | M12x1,5 | 25 | 51,7 | 20 | 8 | 17 | 6 | 14 | 1,8 | 6 | 14 |  |  | 21.93 € | | | B0052.003308 | C | stainless steel | 1.4034 | - | hardened | 8 | M16x1,5 | 33 | 68 | 26 | 10 | 23 | 8 | 19 | 2,3 | 15 | 35 |  |  | 29.74 € | | | B0052.003410 | C | stainless steel | 1.4034 | - | hardened | 10 | M20x1,5 | 33 | 74 | 28 | 12 | 25 | 10 | 22 | 2,8 | 15 | 34 |  | | 40.16 € | | | B0052.003412 | C | stainless steel | 1.4034 | - | hardened | 12 | M20x1,5 | 33 | 78 | 28 | 14 | 25 | 12 | 22 | 2,8 | 15 | 39 |  | | 63.08 € | | | B0052.003516 | C | stainless steel | 1.4034 | - | hardened | 16 | M24x2 | 40 | 96 | 32 | 18 | 28 | 16 | 27 | 3,2 | 20 | 46 |  | | 71.67 € | | | B0052.113903 | C | stainless steel | 1.4305 | - | not hardened | 3 | M6x0,75 | 14 | 31,5 | 12 | 5 | 10 | 3,5 | 8 | 0,8 | 4,5 | 10 |  | | 20.41 € | | | B0052.113004 | C | stainless steel | 1.4305 | - | not hardened | 4 | M8x1 | 18 | 38,5 | 15 | 6 | 13 | 4 | 10 | 1 | 6 | 12 |  |  | 19.46 € | | | B0052.113105 | C | stainless steel | 1.4305 | - | not hardened | 5 | M10x1 | 21 | 43,5 | 17 | 7 | 15 | 5 | 13 | 1,3 | 5 | 12 |  |  | 18.55 € | | | B0052.113206 | C | stainless steel | 1.4305 | - | not hardened | 6 | M12x1,5 | 25 | 51,7 | 20 | 8 | 17 | 6 | 14 | 1,8 | 6 | 14 |  |  | 21.93 € | | | B0052.113308 | C | stainless steel | 1.4305 | - | not hardened | 8 | M16x1,5 | 33 | 68 | 26 | 10 | 23 | 8 | 19 | 2,3 | 15 | 35 |  |  | 29.74 € | | | B0052.113410 | C | stainless steel | 1.4305 | - | not hardened | 10 | M20x1,5 | 33 | 74 | 28 | 12 | 25 | 10 | 22 | 2,8 | 15 | 34 |  | | 40.16 € | | | B0052.113412 | C | stainless steel | 1.4305 | - | not hardened | 12 | M20x1,5 | 33 | 78 | 28 | 14 | 25 | 12 | 22 | 2,8 | 15 | 39 |  | | 63.08 € | | | B0052.113516 | C | stainless steel | 1.4305 | - | not hardened | 16 | M24x2 | 40 | 96 | 32 | 18 | 28 | 16 | 27 | 3,2 | 20 | 46 |  | | 71.67 € | | | B0052.063903 | C | stainless steel | 1.4404 | bright | nickel-plated | 3 | M6x0,75 | 14 | 31,5 | 12 | 5 | 10 | 3,5 | 8 | 0,8 | 3 | 6,5 |  | | 26.54 € | | | B0052.063004 | C | stainless steel | 1.4404 | bright | nickel-plated | 4 | M8x1 | 18 | 38,5 | 15 | 6 | 13 | 4 | 10 | 1 | 7 | 15,5 |  | | 25.31 € | | | B0052.063105 | C | stainless steel | 1.4404 | bright | nickel-plated | 5 | M10x1 | 21 | 43,5 | 17 | 7 | 15 | 5 | 13 | 1,3 | 4 | 12,5 |  | | 24.11 € | | | B0052.063206 | C | stainless steel | 1.4404 | bright | nickel-plated | 6 | M12x1,5 | 25 | 51,7 | 20 | 8 | 17 | 6 | 14 | 1,8 | 7 | 14,5 |  | | 28.50 € | | | B0052.063308 | C | stainless steel | 1.4404 | bright | nickel-plated | 8 | M16x1,5 | 33 | 68 | 26 | 10 | 23 | 8 | 19 | 2,3 | 15 | 35 |  | | 38.67 € | | | B0052.063410 | C | stainless steel | 1.4404 | bright | nickel-plated | 10 | M20x1,5 | 33 | 74 | 28 | 12 | 25 | 10 | 22 | 2,8 | 15 | 30 |  | | 48.18 € | | | B0052.063412 | C | stainless steel | 1.4404 | bright | nickel-plated | 12 | M20x1,5 | 33 | 78 | 28 | 14 | 25 | 12 | 22 | 2,8 | 15 | 39 |  | | 66.22 € | | | B0052.063516 | C | stainless steel | 1.4404 | bright | nickel-plated | 16 | M24x2 | 40 | 96 | 32 | 18 | 28 | 16 | 27 | 3,2 | 20 | 40 |  | | 78.85 € | | | B0052.173903 | C | stainless steel | 1.4404 | bright | bright | 3 | M6x0,75 | 14 | 31,5 | 12 | 5 | 10 | 3,5 | 8 | 0,8 | 3 | 6,5 |  | | 26.54 € | | | B0052.173004 | C | stainless steel | 1.4404 | bright | bright | 4 | M8x1 | 18 | 38,5 | 15 | 6 | 13 | 4 | 10 | 1 | 7 | 15,5 |  | | 25.31 € | | | B0052.173105 | C | stainless steel | 1.4404 | bright | bright | 5 | M10x1 | 21 | 43,5 | 17 | 7 | 15 | 5 | 13 | 1,3 | 4 | 12,5 |  | | 24.11 € | | | B0052.173206 | C | stainless steel | 1.4404 | bright | bright | 6 | M12x1,5 | 25 | 51,7 | 20 | 8 | 17 | 6 | 14 | 1,8 | 7 | 14,5 |  | | 28.50 € | | | B0052.173308 | C | stainless steel | 1.4404 | bright | bright | 8 | M16x1,5 | 33 | 68 | 26 | 10 | 23 | 8 | 19 | 2,3 | 15 | 35 |  | | 38.67 € | | | B0052.173410 | C | stainless steel | 1.4404 | bright | bright | 10 | M20x1,5 | 33 | 74 | 28 | 12 | 25 | 10 | 22 | 2,8 | 15 | 30 |  | | 48.18 € | | | B0052.173412 | C | stainless steel | 1.4404 | bright | bright | 12 | M20x1,5 | 33 | 78 | 28 | 14 | 25 | 12 | 22 | 2,8 | 15 | 39 |  | | 66.22 € | | | B0052.173516 | C | stainless steel | 1.4404 | bright | bright | 16 | M24x2 | 40 | 96 | 32 | 18 | 28 | 16 | 27 | 3,2 | 20 | 40 |  | | 78.85 € | | | B0052.0639031 | C | stainless steel | 1.4404 | blasted | nickel-plated | 3 | M6x0,75 | 14 | 31,5 | 12 | 5 | 10 | 3,5 | 8 | 0,8 | 3 | 6,5 |  | | 26.54 € | | | B0052.0630041 | C | stainless steel | 1.4404 | blasted | nickel-plated | 4 | M8x1 | 18 | 38,5 | 15 | 6 | 13 | 4 | 10 | 1 | 7 | 15,5 |  | | 25.31 € | | | B0052.0631051 | C | stainless steel | 1.4404 | blasted | nickel-plated | 5 | M10x1 | 21 | 43,5 | 17 | 7 | 15 | 5 | 13 | 1,3 | 4 | 12,5 |  | | 24.11 € | | | B0052.0632061 | C | stainless steel | 1.4404 | blasted | nickel-plated | 6 | M12x1,5 | 25 | 51,7 | 20 | 8 | 17 | 6 | 14 | 1,8 | 7 | 14,5 |  | | 28.50 € | | | B0052.0633081 | C | stainless steel | 1.4404 | blasted | nickel-plated | 8 | M16x1,5 | 33 | 68 | 26 | 10 | 23 | 8 | 19 | 2,3 | 15 | 35 |  | | 38.67 € | | | B0052.0634101 | C | stainless steel | 1.4404 | blasted | nickel-plated | 10 | M20x1,5 | 33 | 74 | 28 | 12 | 25 | 10 | 22 | 2,8 | 15 | 30 |  | | 48.18 € | | | B0052.0634121 | C | stainless steel | 1.4404 | blasted | nickel-plated | 12 | M20x1,5 | 33 | 78 | 28 | 14 | 25 | 12 | 22 | 2,8 | 15 | 39 |  | | 66.22 € | | | B0052.0635161 | C | stainless steel | 1.4404 | blasted | nickel-plated | 16 | M24x2 | 40 | 96 | 32 | 18 | 28 | 16 | 27 | 3,2 | 20 | 40 |  | | 78.85 € | | | B0052.1739031 | C | stainless steel | 1.4404 | blasted | bright | 3 | M6x0,75 | 14 | 31,5 | 12 | 5 | 10 | 3,5 | 8 | 0,8 | 3 | 6,5 |  | | 26.54 € | | | B0052.1730041 | C | stainless steel | 1.4404 | blasted | bright | 4 | M8x1 | 18 | 38,5 | 15 | 6 | 13 | 4 | 10 | 1 | 7 | 15,5 |  | | 25.31 € | | | B0052.1731051 | C | stainless steel | 1.4404 | blasted | bright | 5 | M10x1 | 21 | 43,5 | 17 | 7 | 15 | 5 | 13 | 1,3 | 4 | 12,5 |  | | 24.11 € | | | B0052.1732061 | C | stainless steel | 1.4404 | blasted | bright | 6 | M12x1,5 | 25 | 51,7 | 20 | 8 | 17 | 6 | 14 | 1,8 | 7 | 14,5 |  | | 28.50 € | | | B0052.1733081 | C | stainless steel | 1.4404 | blasted | bright | 8 | M16x1,5 | 33 | 68 | 26 | 10 | 23 | 8 | 19 | 2,3 | 15 | 35 |  | | 38.67 € | | | B0052.1734101 | C | stainless steel | 1.4404 | blasted | bright | 10 | M20x1,5 | 33 | 74 | 28 | 12 | 25 | 10 | 22 | 2,8 | 15 | 30 |  | | 48.18 € | | | B0052.1734121 | C | stainless steel | 1.4404 | blasted | bright | 12 | M20x1,5 | 33 | 78 | 28 | 14 | 25 | 12 | 22 | 2,8 | 15 | 39 |  | | 66.22 € | | | B0052.1735161 | C | stainless steel | 1.4404 | blasted | bright | 16 | M24x2 | 40 | 96 | 32 | 18 | 28 | 16 | 27 | 3,2 | 20 | 40 |  | | 78.85 € | |
|
Indexing plungers, stainless steel with stainless steel mushroom grip, locking slot and locknut |
More information |
| Order No. | Form | Main material | Steel key | Mushroom grip
| locating pin | D | D1 | D2 | L | L1 | L2 | L3 | Travel S | SW1 | SW2 | Fx30° | Spring force initial pressure F1 approx. N | Spring force final pressure F2 approx. N | CAD | Acc. | Price | Order |
|---|
| B0052.004903 | D | stainless steel | 1.4034 | - | hardened | 3 | M6x0,75 | 14 | 31,5 | 12 | 5 | 10 | 3,5 | 8 | 10 | 0,8 | 4,5 | 10 |  | | 21.64 € | | | B0052.004004 | D | stainless steel | 1.4034 | - | hardened | 4 | M8x1 | 18 | 38,5 | 15 | 6 | 13 | 4 | 10 | 13 | 1 | 6 | 12 |  |  | 20.62 € | | | B0052.004105 | D | stainless steel | 1.4034 | - | hardened | 5 | M10x1 | 21 | 43,5 | 17 | 7 | 15 | 5 | 13 | 17 | 1,3 | 5 | 12 |  |  | 19.60 € | | | B0052.004206 | D | stainless steel | 1.4034 | - | hardened | 6 | M12x1,5 | 25 | 51,7 | 20 | 8 | 17 | 6 | 14 | 19 | 1,8 | 6 | 14 |  |  | 23.13 € | | | B0052.004308 | D | stainless steel | 1.4034 | - | hardened | 8 | M16x1,5 | 33 | 68 | 26 | 10 | 23 | 8 | 19 | 24 | 2,3 | 15 | 35 |  |  | 31.52 € | | | B0052.004410 | D | stainless steel | 1.4034 | - | hardened | 10 | M20x1,5 | 33 | 74 | 28 | 12 | 25 | 10 | 22 | 30 | 2,8 | 15 | 34 |  | | 40.90 € | | | B0052.004412 | D | stainless steel | 1.4034 | - | hardened | 12 | M20x1,5 | 33 | 78 | 28 | 14 | 25 | 12 | 22 | 30 | 2,8 | 15 | 39 |  | | 64.22 € | | | B0052.004516 | D | stainless steel | 1.4034 | - | hardened | 16 | M24x2 | 40 | 96 | 32 | 18 | 28 | 16 | 27 | 36 | 3,2 | 20 | 46 |  | | 72.98 € | | | B0052.114903 | D | stainless steel | 1.4305 | - | not hardened | 3 | M6x0,75 | 14 | 31,5 | 12 | 5 | 10 | 3,5 | 8 | 10 | 0,8 | 4,5 | 10 |  | | 21.64 € | | | B0052.114004 | D | stainless steel | 1.4305 | - | not hardened | 4 | M8x1 | 18 | 38,5 | 15 | 6 | 13 | 4 | 10 | 13 | 1 | 6 | 12 |  |  | 20.62 € | | | B0052.114105 | D | stainless steel | 1.4305 | - | not hardened | 5 | M10x1 | 21 | 43,5 | 17 | 7 | 15 | 5 | 13 | 17 | 1,3 | 5 | 12 |  |  | 19.60 € | | | B0052.114206 | D | stainless steel | 1.4305 | - | not hardened | 6 | M12x1,5 | 25 | 51,7 | 20 | 8 | 17 | 6 | 14 | 19 | 1,8 | 6 | 14 |  |  | 23.13 € | | | B0052.114308 | D | stainless steel | 1.4305 | - | not hardened | 8 | M16x1,5 | 33 | 68 | 26 | 10 | 23 | 8 | 19 | 24 | 2,3 | 15 | 35 |  |  | 31.52 € | | | B0052.114410 | D | stainless steel | 1.4305 | - | not hardened | 10 | M20x1,5 | 33 | 74 | 28 | 12 | 25 | 10 | 22 | 30 | 2,8 | 15 | 34 |  | | 40.90 € | | | B0052.114412 | D | stainless steel | 1.4305 | - | not hardened | 12 | M20x1,5 | 33 | 78 | 28 | 14 | 25 | 12 | 22 | 30 | 2,8 | 15 | 39 |  | | 64.22 € | | | B0052.114516 | D | stainless steel | 1.4305 | - | not hardened | 16 | M24x2 | 40 | 96 | 32 | 18 | 28 | 16 | 27 | 36 | 3,2 | 20 | 46 |  | | 72.98 € | | | B0052.064903 | D | stainless steel | 1.4404 | bright | nickel-plated | 3 | M6x0,75 | 14 | 31,5 | 12 | 5 | 10 | 3,5 | 8 | 10 | 0,8 | 3 | 6,5 |  | | 28.14 € | | | B0052.064004 | D | stainless steel | 1.4404 | bright | nickel-plated | 4 | M8x1 | 18 | 38,5 | 15 | 6 | 13 | 4 | 10 | 13 | 1 | 7 | 15,5 |  | | 26.81 € | | | B0052.064105 | D | stainless steel | 1.4404 | bright | nickel-plated | 5 | M10x1 | 21 | 43,5 | 17 | 7 | 15 | 5 | 13 | 17 | 1,3 | 4 | 12,5 |  | | 25.47 € | | | B0052.064206 | D | stainless steel | 1.4404 | bright | nickel-plated | 6 | M12x1,5 | 25 | 51,7 | 20 | 8 | 17 | 6 | 14 | 19 | 1,8 | 7 | 14,5 |  | | 30.07 € | | | B0052.064308 | D | stainless steel | 1.4404 | bright | nickel-plated | 8 | M16x1,5 | 33 | 68 | 26 | 10 | 23 | 8 | 19 | 24 | 2,3 | 15 | 35 |  | | 40.97 € | | | B0052.064410 | D | stainless steel | 1.4404 | bright | nickel-plated | 10 | M20x1,5 | 33 | 74 | 28 | 12 | 25 | 10 | 22 | 30 | 2,8 | 15 | 30 |  | | 49.07 € | | | B0052.064412 | D | stainless steel | 1.4404 | bright | nickel-plated | 12 | M20x1,5 | 33 | 78 | 28 | 14 | 25 | 12 | 22 | 30 | 2,8 | 15 | 39 |  | | 67.42 € | | | B0052.064516 | D | stainless steel | 1.4404 | bright | nickel-plated | 16 | M24x2 | 40 | 96 | 32 | 18 | 28 | 16 | 27 | 36 | 3,2 | 20 | 40 |  | | 80.28 € | | | B0052.174903 | D | stainless steel | 1.4404 | bright | bright | 3 | M6x0,75 | 14 | 31,5 | 12 | 5 | 10 | 3,5 | 8 | 10 | 0,8 | 3 | 6,5 |  | | 28.14 € | | | B0052.174004 | D | stainless steel | 1.4404 | bright | bright | 4 | M8x1 | 18 | 38,5 | 15 | 6 | 13 | 4 | 10 | 13 | 1 | 7 | 15,5 |  | | 26.81 € | | | B0052.174105 | D | stainless steel | 1.4404 | bright | bright | 5 | M10x1 | 21 | 43,5 | 17 | 7 | 15 | 5 | 13 | 17 | 1,3 | 4 | 12,5 |  | | 25.47 € | | | B0052.174206 | D | stainless steel | 1.4404 | bright | bright | 6 | M12x1,5 | 25 | 51,7 | 20 | 8 | 17 | 6 | 14 | 19 | 1,8 | 7 | 14,5 |  | | 30.07 € | | | B0052.174308 | D | stainless steel | 1.4404 | bright | bright | 8 | M16x1,5 | 33 | 68 | 26 | 10 | 23 | 8 | 19 | 24 | 2,3 | 15 | 35 |  | | 40.97 € | | | B0052.174410 | D | stainless steel | 1.4404 | bright | bright | 10 | M20x1,5 | 33 | 74 | 28 | 12 | 25 | 10 | 22 | 30 | 2,8 | 15 | 30 |  | | 49.07 € | | | B0052.174412 | D | stainless steel | 1.4404 | bright | bright | 12 | M20x1,5 | 33 | 78 | 28 | 14 | 25 | 12 | 22 | 30 | 2,8 | 15 | 39 |  | | 67.42 € | | | B0052.174516 | D | stainless steel | 1.4404 | bright | bright | 16 | M24x2 | 40 | 96 | 32 | 18 | 28 | 16 | 27 | 36 | 3,2 | 20 | 40 |  | | 80.28 € | | | B0052.0649031 | D | stainless steel | 1.4404 | blasted | nickel-plated | 3 | M6x0,75 | 14 | 31,5 | 12 | 5 | 10 | 3,5 | 8 | 10 | 0,8 | 3 | 6,5 |  | | 28.14 € | | | B0052.0640041 | D | stainless steel | 1.4404 | blasted | nickel-plated | 4 | M8x1 | 18 | 38,5 | 15 | 6 | 13 | 4 | 10 | 13 | 1 | 7 | 15,5 |  | | 26.81 € | | | B0052.0641051 | D | stainless steel | 1.4404 | blasted | nickel-plated | 5 | M10x1 | 21 | 43,5 | 17 | 7 | 15 | 5 | 13 | 17 | 1,3 | 4 | 12,5 |  | | 25.47 € | | | B0052.0642061 | D | stainless steel | 1.4404 | blasted | nickel-plated | 6 | M12x1,5 | 25 | 51,7 | 20 | 8 | 17 | 6 | 14 | 19 | 1,8 | 7 | 14,5 |  | | 30.07 € | | | B0052.0643081 | D | stainless steel | 1.4404 | blasted | nickel-plated | 8 | M16x1,5 | 33 | 68 | 26 | 10 | 23 | 8 | 19 | 24 | 2,3 | 15 | 35 |  | | 40.97 € | | | B0052.0644101 | D | stainless steel | 1.4404 | blasted | nickel-plated | 10 | M20x1,5 | 33 | 74 | 28 | 12 | 25 | 10 | 22 | 30 | 2,8 | 15 | 30 |  | | 49.07 € | | | B0052.0644121 | D | stainless steel | 1.4404 | blasted | nickel-plated | 12 | M20x1,5 | 33 | 78 | 28 | 14 | 25 | 12 | 22 | 30 | 2,8 | 15 | 39 |  | | 67.42 € | | | B0052.0645161 | D | stainless steel | 1.4404 | blasted | nickel-plated | 16 | M24x2 | 40 | 96 | 32 | 18 | 28 | 16 | 27 | 36 | 3,2 | 20 | 40 |  | | 80.28 € | | | B0052.1749031 | D | stainless steel | 1.4404 | blasted | bright | 3 | M6x0,75 | 14 | 31,5 | 12 | 5 | 10 | 3,5 | 8 | 10 | 0,8 | 3 | 6,5 |  | | 28.14 € | | | B0052.1740041 | D | stainless steel | 1.4404 | blasted | bright | 4 | M8x1 | 18 | 38,5 | 15 | 6 | 13 | 4 | 10 | 13 | 1 | 7 | 15,5 |  | | 26.81 € | | | B0052.1741051 | D | stainless steel | 1.4404 | blasted | bright | 5 | M10x1 | 21 | 43,5 | 17 | 7 | 15 | 5 | 13 | 17 | 1,3 | 4 | 12,5 |  | | 25.47 € | | | B0052.1742061 | D | stainless steel | 1.4404 | blasted | bright | 6 | M12x1,5 | 25 | 51,7 | 20 | 8 | 17 | 6 | 14 | 19 | 1,8 | 7 | 14,5 |  | | 30.07 € | | | B0052.1743081 | D | stainless steel | 1.4404 | blasted | bright | 8 | M16x1,5 | 33 | 68 | 26 | 10 | 23 | 8 | 19 | 24 | 2,3 | 15 | 35 |  | | 40.97 € | | | B0052.1744101 | D | stainless steel | 1.4404 | blasted | bright | 10 | M20x1,5 | 33 | 74 | 28 | 12 | 25 | 10 | 22 | 30 | 2,8 | 15 | 30 |  | | 49.07 € | | | B0052.1744121 | D | stainless steel | 1.4404 | blasted | bright | 12 | M20x1,5 | 33 | 78 | 28 | 14 | 25 | 12 | 22 | 30 | 2,8 | 15 | 39 |  | | 67.42 € | | | B0052.1745161 | D | stainless steel | 1.4404 | blasted | bright | 16 | M24x2 | 40 | 96 | 32 | 18 | 28 | 16 | 27 | 36 | 3,2 | 20 | 40 |  | | 80.28 € | |
|
Other items in this category |
|
|