Product groups
Indexing plungers, stainless steel short version with stainless steel mushroom grip
B0579

Indexing plungers, stainless steel short version with stainless...

go back

Item description/product images

DescriptionProduct description:Indexing plungers are used where it is necessary to prevent changes of position due to lateral forces.
Some examples of this are for length, height and position indexing in machines, equipment, furniture and special vehicle construction.

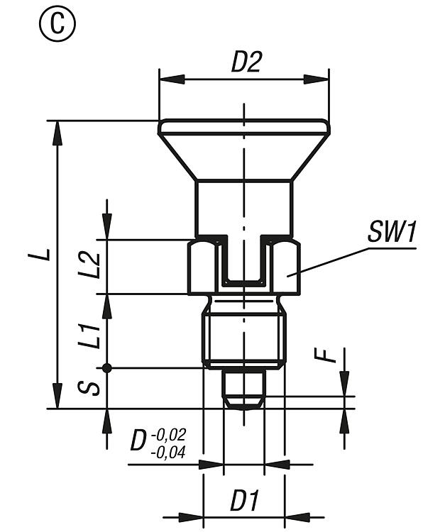
A new indexed position can be only be moved to after the pin has been manually retracted. Form C and D are recommended for applications where the indexing pin should remain disengaged for an extended period and be prevented from springing back.
Material:

Stainless steel version A1:
Threaded sleeve and mushroom grip 1.4305.
Indexing pin hardened 1.4034.
Indexing pin not hardened 1.4305.

Stainless steel version A4:
Threaded sleeve, mushroom grip and indexing pin 1.4404.

Version:Stainless steel version A1:
Threaded sleeve and mushroom grip bright.
Indexing pin hardened and ground, bright.
Indexing pin not hardened and ground, bright.

Stainless steel version A4:
Threaded sleeve bright.
Mushroom grip bright or abrasive blasted.
Indexing pin ground and chemically nickel-plated.
Indexing pin ground, bright.
Note:The materials used enable a wide range of applications.
Indexing plungers made from A4 stainless steel are recommended for applications with very high corrosion resistance requirements.
On request:Special versions.Accessory:Positioning bushes B0063.
Spacer rings B0064.
Drawing reference:
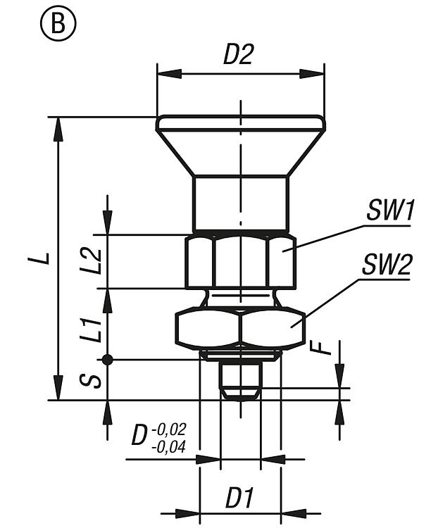
Form A: non-lockout type, without locknut
Form B: non-lockout type, with locknut
Form C: lockout type, without locknut
Form D: lockout type, with locknut
Special features:
Stainless steelRoHS
DownloadHere is all the information as a PDF datasheet:

Are you looking for CAD data? These can be found directly in the product table.
 Datasheet B0579 Indexing plungers, stainless steel short version with stainless steel mushroom grip 301 kB

Drawings (total overview)

Indexing plungers, stainless steel short version with stainless steel mushroom grip

Indexing plungers, stainless steel, short version with stainless steel mushroom grip, without locking slot or lock nut

More information

Drawings

Indexing plungers, stainless steel, short version with stainless steel mushroom grip, without locking slot or lock nut

Item selection/filter

Order No.FormMain
material
Steel keyMushroom grip

locating pinDD1D2LL1L2Travel
S
SW1Fx30°Spring force
initial pressure
F1 approx. N
Spring force
final pressure
F2 approx. N
CADAcc.PriceOrder
B0579.115903Astainless steel1.4305brightnot hardened3M6x0,751425,5653,580,8310 16.11 €
B0579.115004Astainless steel1.4305brightnot hardened4M8x11829,5664101412 15.37 €
B0579.115105Astainless steel1.4305brightnot hardened5M10x12134,5875131,3512 14.63 €
B0579.115206Astainless steel1.4305brightnot hardened6M12x1,52541,71086141,8614 17.47 €
B0579.115308Astainless steel1.4305brightnot hardened8M16x1,5335412108192,31428 22.40 €
B0579.115410Astainless steel1.4305brightnot hardened10M20x1,53361151210222,81532 32.92 €
B0579.005903Astainless steel1.4034brighthardened3M6x0,751425,5653,580,8310 16.11 €
B0579.005004Astainless steel1.4034brighthardened4M8x11829,5664101412 15.37 €
B0579.005105Astainless steel1.4034brighthardened5M10x12134,5875131,3512 14.63 €
B0579.005206Astainless steel1.4034brighthardened6M12x1,52541,71086141,8614 17.47 €
B0579.005308Astainless steel1.4034brighthardened8M16x1,5335412108192,31428 22.40 €
B0579.005410Astainless steel1.4034brighthardened10M20x1,53361151210222,81532 32.92 €
B0579.065903Astainless steel1.4404brightnickel-plated3M6x0,751425,5653,580,8310 19.33 €
B0579.065004Astainless steel1.4404brightnickel-plated4M8x11829,5664101412 18.44 €
B0579.065105Astainless steel1.4404brightnickel-plated5M10x12134,5875131,3512 17.56 €
B0579.065206Astainless steel1.4404brightnickel-plated6M12x1,52541,71086141,8614 20.96 €
B0579.065308Astainless steel1.4404brightnickel-plated8M16x1,5335412108192,31428 26.89 €
B0579.065410Astainless steel1.4404brightnickel-plated10M20x1,53361151210222,81532 39.50 €
B0579.175903Astainless steel1.4404brightbright3M6x0,751425,5653,580,8310 19.33 €
B0579.175004Astainless steel1.4404brightbright4M8x11829,5664101412 18.44 €
B0579.175105Astainless steel1.4404brightbright5M10x12134,5875131,3512 17.56 €
B0579.175206Astainless steel1.4404brightbright6M12x1,52541,71086141,8614 20.96 €
B0579.175308Astainless steel1.4404brightbright8M16x1,5335412108192,31428 26.89 €
B0579.175410Astainless steel1.4404brightbright10M20x1,53361151210222,81532 39.50 €
B0579.0659031Astainless steel1.4404blastednickel-plated3M6x0,751425,5653,580,8310 19.33 €
B0579.0650041Astainless steel1.4404blastednickel-plated4M8x11829,5664101412 18.44 €
B0579.0651051Astainless steel1.4404blastednickel-plated5M10x12134,5875131,3512 17.56 €
B0579.0652061Astainless steel1.4404blastednickel-plated6M12x1,52541,71086141,8614 20.96 €
B0579.0653081Astainless steel1.4404blastednickel-plated8M16x1,5335412108192,31428 26.89 €
B0579.0654101Astainless steel1.4404blastednickel-plated10M20x1,53361151210222,81532 39.50 €
B0579.1759031Astainless steel1.4404blastedbright3M6x0,751425,5653,580,8310 19.33 €
B0579.1750041Astainless steel1.4404blastedbright4M8x11829,5664101412 18.44 €
B0579.1751051Astainless steel1.4404blastedbright5M10x12134,5875131,3512 17.56 €
B0579.1752061Astainless steel1.4404blastedbright6M12x1,52541,71086141,8614 20.96 €
B0579.1753081Astainless steel1.4404blastedbright8M16x1,5335412108192,31428 26.89 €
B0579.1754101Astainless steel1.4404blastedbright10M20x1,53361151210222,81532 39.50 €

Indexing plungers, stainless steel, short version with stainless steel mushroom grip and locknut

More information

Drawings

Indexing plungers, stainless steel, short version with stainless steel mushroom grip and locknut

Item selection/filter

Order No.FormMain
material
Steel keyMushroom grip

locating pinDD1D2LL1L2Travel
S
SW1SW2Fx30°Spring force
initial pressure
F1 approx. N
Spring force
final pressure
F2 approx. N
CADAcc.PriceOrder
B0579.116903Bstainless steel1.4305brightnot hardened3M6x0,751425,5653,58100,8310 17.21 €
B0579.116004Bstainless steel1.4305brightnot hardened4M8x11829,566410131412 16.39 €
B0579.116105Bstainless steel1.4305brightnot hardened5M10x12134,587513171,3512 15.60 €
B0579.116206Bstainless steel1.4305brightnot hardened6M12x1,52541,7108614191,8614 18.45 €
B0579.116308Bstainless steel1.4305brightnot hardened8M16x1,533541210819242,31428 24.26 €
B0579.116410Bstainless steel1.4305brightnot hardened10M20x1,5336115121022302,81532 34.15 €
B0579.006903Bstainless steel1.4034brighthardened3M6x0,751425,5653,58100,8310 17.21 €
B0579.006004Bstainless steel1.4034brighthardened4M8x11829,566410131412 16.39 €
B0579.006105Bstainless steel1.4034brighthardened5M10x12134,587513171,3512 15.60 €
B0579.006206Bstainless steel1.4034brighthardened6M12x1,52541,7108614191,8614 18.45 €
B0579.006308Bstainless steel1.4034brighthardened8M16x1,533541210819242,31428 24.26 €
B0579.006410Bstainless steel1.4034brighthardened10M20x1,5336115121022302,81532 34.15 €
B0579.066903Bstainless steel1.4404brightnickel-plated3M6x0,751425,5653,58100,8310 20.66 €
B0579.066004Bstainless steel1.4404brightnickel-plated4M8x11829,566410131412 19.66 €
B0579.066105Bstainless steel1.4404brightnickel-plated5M10x12134,587513171,3512 18.72 €
B0579.066206Bstainless steel1.4404brightnickel-plated6M12x1,52541,7108614191,8614 22.15 €
B0579.066308Bstainless steel1.4404brightnickel-plated8M16x1,533541210819242,31428 29.12 €
B0579.066410Bstainless steel1.4404brightnickel-plated10M20x1,5336115121022302,81532 40.99 €
B0579.176903Bstainless steel1.4404brightbright3M6x0,751425,5653,58100,8310 20.66 €
B0579.176004Bstainless steel1.4404brightbright4M8x11829,566410131412 19.66 €
B0579.176105Bstainless steel1.4404brightbright5M10x12134,587513171,3512 18.72 €
B0579.176206Bstainless steel1.4404brightbright6M12x1,52541,7108614191,8614 22.15 €
B0579.176308Bstainless steel1.4404brightbright8M16x1,533541210819242,31428 29.12 €
B0579.176410Bstainless steel1.4404brightbright10M20x1,5336115121022302,81532 40.99 €
B0579.0669031Bstainless steel1.4404blastednickel-plated3M6x0,751425,5653,58100,8310 20.66 €
B0579.0660041Bstainless steel1.4404blastednickel-plated4M8x11829,566410131412 19.66 €
B0579.0661051Bstainless steel1.4404blastednickel-plated5M10x12134,587513171,3512 18.72 €
B0579.0662061Bstainless steel1.4404blastednickel-plated6M12x1,52541,7108614191,8614 22.15 €
B0579.0663081Bstainless steel1.4404blastednickel-plated8M16x1,533541210819242,31428 29.12 €
B0579.0664101Bstainless steel1.4404blastednickel-plated10M20x1,5336115121022302,81532 40.99 €
B0579.1769031Bstainless steel1.4404blastedbright3M6x0,751425,5653,58100,8310 20.66 €
B0579.1760041Bstainless steel1.4404blastedbright4M8x11829,566410131412 19.66 €
B0579.1761051Bstainless steel1.4404blastedbright5M10x12134,587513171,3512 18.72 €
B0579.1762061Bstainless steel1.4404blastedbright6M12x1,52541,7108614191,8614 22.15 €
B0579.1763081Bstainless steel1.4404blastedbright8M16x1,533541210819242,31428 29.12 €
B0579.1764101Bstainless steel1.4404blastedbright10M20x1,5336115121022302,81532 40.99 €

Indexing plungers, stainless steel, short version with stainless steel mushroom grip and locking slot

More information

Drawings

Indexing plungers, stainless steel, short version with stainless steel mushroom grip and locking slot

Item selection/filter

Order No.FormMain
material
Steel keyMushroom grip

locating pinDD1D2LL1L2Travel
S
SW1Fx30°Spring force
initial pressure
F1 approx. N
Spring force
final pressure
F2 approx. N
CADAcc.PriceOrder
B0579.117903Cstainless steel1.4305brightnot hardened3M6x0,751425,5653,580,8310 18.88 €
B0579.117004Cstainless steel1.4305brightnot hardened4M8x11829,5664101412 18.00 €
B0579.117105Cstainless steel1.4305brightnot hardened5M10x12134,5875131,3512 17.15 €
B0579.117206Cstainless steel1.4305brightnot hardened6M12x1,52541,71086141,8614 19.76 €
B0579.117308Cstainless steel1.4305brightnot hardened8M16x1,5335412108192,31428 26.62 €
B0579.117410Cstainless steel1.4305brightnot hardened10M20x1,53361151210222,81532 42.53 €
B0579.007903Cstainless steel1.4034brighthardened3M6x0,751425,5653,580,8310 18.88 €
B0579.007004Cstainless steel1.4034brighthardened4M8x11829,5664101412 18.00 €
B0579.007105Cstainless steel1.4034brighthardened5M10x12134,5875131,3512 17.15 €
B0579.007206Cstainless steel1.4034brighthardened6M12x1,52541,71086141,8614 19.76 €
B0579.007308Cstainless steel1.4034brighthardened8M16x1,5335412108192,31428 26.62 €
B0579.007410Cstainless steel1.4034brighthardened10M20x1,53361151210222,81532 42.53 €
B0579.067903Cstainless steel1.4404brightnickel-plated3M6x0,751425,5653,580,8310 22.65 €
B0579.067004Cstainless steel1.4404brightnickel-plated4M8x11829,5664101412 21.61 €
B0579.067105Cstainless steel1.4404brightnickel-plated5M10x12134,5875131,3512 20.58 €
B0579.067206Cstainless steel1.4404brightnickel-plated6M12x1,52541,71086141,8614 23.71 €
B0579.067308Cstainless steel1.4404brightnickel-plated8M16x1,5335412108192,31428 31.93 €
B0579.067410Cstainless steel1.4404brightnickel-plated10M20x1,53361151210222,81532 51.04 €
B0579.177903Cstainless steel1.4404brightbright3M6x0,751425,5653,580,8310 22.65 €
B0579.177004Cstainless steel1.4404brightbright4M8x11829,5664101412 21.61 €
B0579.177105Cstainless steel1.4404brightbright5M10x12134,5875131,3512 20.58 €
B0579.177206Cstainless steel1.4404brightbright6M12x1,52541,71086141,8614 23.71 €
B0579.177308Cstainless steel1.4404brightbright8M16x1,5335412108192,31428 31.93 €
B0579.177410Cstainless steel1.4404brightbright10M20x1,53361151210222,81532 51.04 €
B0579.0679031Cstainless steel1.4404blastednickel-plated3M6x0,751425,5653,580,8310 22.65 €
B0579.0670041Cstainless steel1.4404blastednickel-plated4M8x11829,5664101412 21.61 €
B0579.0671051Cstainless steel1.4404blastednickel-plated5M10x12134,5875131,3512 20.58 €
B0579.0672061Cstainless steel1.4404blastednickel-plated6M12x1,52541,71086141,8614 23.71 €
B0579.0673081Cstainless steel1.4404blastednickel-plated8M16x1,5335412108192,31428 31.93 €
B0579.0674101Cstainless steel1.4404blastednickel-plated10M20x1,53361151210222,81532 51.04 €
B0579.1779031Cstainless steel1.4404blastedbright3M6x0,751425,5653,580,8310 22.65 €
B0579.1770041Cstainless steel1.4404blastedbright4M8x11829,5664101412 21.61 €
B0579.1771051Cstainless steel1.4404blastedbright5M10x12134,5875131,3512 20.58 €
B0579.1772061Cstainless steel1.4404blastedbright6M12x1,52541,71086141,8614 23.71 €
B0579.1773081Cstainless steel1.4404blastedbright8M16x1,5335412108192,31428 31.93 €
B0579.1774101Cstainless steel1.4404blastedbright10M20x1,53361151210222,81532 51.04 €

Indexing plungers, stainless steel, short version with stainless steel mushroom grip, locking slot and lock nut

More information

Drawings

Indexing plungers, stainless steel, short version with stainless steel mushroom grip, locking slot and lock nut

Item selection/filter

Order No.FormMain
material
Steel keyMushroom grip

locating pinDD1D2LL1L2Travel
S
SW1SW2Fx30°Spring force
initial pressure
F1 approx. N
Spring force
final pressure
F2 approx. N
CADAcc.PriceOrder
B0579.118903Dstainless steel1.4305brightnot hardened3M6x0,751425,5653,58100,8310 19.12 €
B0579.118004Dstainless steel1.4305brightnot hardened4M8x11829,566410131412 18.18 €
B0579.118105Dstainless steel1.4305brightnot hardened5M10x12134,587513171,3512 17.32 €
B0579.118206Dstainless steel1.4305brightnot hardened6M12x1,52541,7108614191,8614 20.37 €
B0579.118308Dstainless steel1.4305brightnot hardened8M16x1,533541210819242,31428 27.47 €
B0579.118410Dstainless steel1.4305brightnot hardened10M20x1,5336115121022302,81532 43.42 €
B0579.008903Dstainless steel1.4034brighthardened3M6x0,751425,5653,58100,8310 19.12 €
B0579.008004Dstainless steel1.4034brighthardened4M8x11829,566410131412 18.18 €
B0579.008105Dstainless steel1.4034brighthardened5M10x12134,587513171,3512 17.32 €
B0579.008206Dstainless steel1.4034brighthardened6M12x1,52541,7108614191,8614 20.37 €
B0579.008308Dstainless steel1.4034brighthardened8M16x1,533541210819242,31428 27.47 €
B0579.008410Dstainless steel1.4034brighthardened10M20x1,5336115121022302,81532 43.42 €
B0579.068903Dstainless steel1.4404brightnickel-plated3M6x0,751425,5653,58100,8310 22.95 €
B0579.068004Dstainless steel1.4404brightnickel-plated4M8x11829,566410131412 21.82 €
B0579.068105Dstainless steel1.4404brightnickel-plated5M10x12134,587513171,3512 20.79 €
B0579.068206Dstainless steel1.4404brightnickel-plated6M12x1,52541,7108614191,8614 24.45 €
B0579.068308Dstainless steel1.4404brightnickel-plated8M16x1,533541210819242,31428 32.96 €
B0579.068410Dstainless steel1.4404brightnickel-plated10M20x1,5336115121022302,81532 52.11 €
B0579.178903Dstainless steel1.4404brightbright3M6x0,751425,5653,58100,8310 22.95 €
B0579.178004Dstainless steel1.4404brightbright4M8x11829,566410131412 21.82 €
B0579.178105Dstainless steel1.4404brightbright5M10x12134,587513171,3512 20.79 €
B0579.178206Dstainless steel1.4404brightbright6M12x1,52541,7108614191,8614 24.45 €
B0579.178308Dstainless steel1.4404brightbright8M16x1,533541210819242,31428 32.96 €
B0579.178410Dstainless steel1.4404brightbright10M20x1,5336115121022302,81532 52.11 €
B0579.0689031Dstainless steel1.4404blastednickel-plated3M6x0,751425,5653,58100,8310 22.95 €
B0579.0680041Dstainless steel1.4404blastednickel-plated4M8x11829,566410131412 21.82 €
B0579.0681051Dstainless steel1.4404blastednickel-plated5M10x12134,587513171,3512 20.79 €
B0579.0682061Dstainless steel1.4404blastednickel-plated6M12x1,52541,7108614191,8614 24.45 €
B0579.0683081Dstainless steel1.4404blastednickel-plated8M16x1,533541210819242,31428 32.96 €
B0579.0684101Dstainless steel1.4404blastednickel-plated10M20x1,5336115121022302,81532 52.11 €
B0579.1789031Dstainless steel1.4404blastedbright3M6x0,751425,5653,58100,8310 22.95 €
B0579.1780041Dstainless steel1.4404blastedbright4M8x11829,566410131412 21.82 €
B0579.1781051Dstainless steel1.4404blastedbright5M10x12134,587513171,3512 20.79 €
B0579.1782061Dstainless steel1.4404blastedbright6M12x1,52541,7108614191,8614 24.45 €
B0579.1783081Dstainless steel1.4404blastedbright8M16x1,533541210819242,31428 32.96 €
B0579.1784101Dstainless steel1.4404blastedbright10M20x1,5336115121022302,81532 52.11 €
Search
Shopping cart
Number of items: 0
Amount: 0.00  
Display
Speed ordering
Germany
Sitemap Print Top
Copyright © 2025 NORMTEILWERK ROBERT BLOHM GmbH. All rights reserved. Tel. +49 (0) 41 55 / 80 08-0 · Fax +49 (0) 41 55 / 81 11 31