Warengruppen
Grippers und Einsätze rund mit Senkbohrung
B0168

Grippers und Einsätze rund mit Senkbohrung

zurück

Artikelbeschreibung/Produktabbildungen

Alle Artikel aufrufen/filtern
BeschreibungWerkstoff:Form C, F Werkzeugstahl
Form E, O Edelstahl
Form K POM
Ausführung:Form C, F gehärtet und brüniert.
Form E, gehärtet, blank.
Form K weiß.
Form O mit Diamant-Oberfläche vergleichbar mit 100er Schleifkörnung.
Hinweis:Die Grippers und Einsätze eignen sich zum Einbau in Spannarme, Greifersysteme, Spannvorrichtungen, Spannbacken und Pendelauflagen. Durch den Einsatz von Grippers gelingt die Übertragung höchster Drehmomente und überdurchschnittlicher Haltekräfte auch bei harten Werkstoffen und bei Oberflächenunregelmäßigkeiten.

Form O: Die abrasive Diamant-Oberfläche ist fest mit dem Grundkörper verschmolzen. Sie eignet sich ideal zur Aufnahme von glatten oder rutschigen Anwendungen mit einem Minimum von Spanndruck. Dabei übertragen die Diamant-Partikel hohe Haltekräfte auf eine sehr kleine Fläche mit minimaler Beeinträchtigung der Oberfläche. Die Diamant-Oberfläche bietet eine hervorragende Verschleißfestigkeit.
Besonderheiten:
RoHS
DownloadHier gibt es die Informationen gesammelt als PDF:

Suchen Sie CAD Daten? Diese finden Sie direkt in der Produkttabelle.
 Datenblatt B0168 Grippers und Einsätze rund mit Senkbohrung 190 kB

Zeichnungen (Gesamtübersicht)

Grippers und Einsätze rund mit Senkbohrung

Einsätze rund mit Senkbohrung, Form C

mehr Info

Zeichnungen

Einsätze rund mit Senkbohrung, Form C

Artikelauswahl/-filter

BestellnummerFormD2

D4D5L3TCADZub.PreisBestellen
B0168.110108C103,46105 6,81 €
B0168.110128C103,46125 6,91 €
B0168.112108C124,59105,6 7,20 €
B0168.112128C124,59125,6 7,29 €
B0168.116108C165,511106,6 7,81 €
B0168.116128C165,511126,6 7,92 €
B0168.120108C206,611107,6 7,22 €
B0168.120128C206,611127,6 8,72 €
B0168.125108C256,611107,6 9,07 €
B0168.125128C256,611127,6 9,24 €

Einsätze rund mit Senkbohrung, Form E

mehr Info

Zeichnungen

Einsätze rund mit Senkbohrung, Form E

Artikelauswahl/-filter

BestellnummerFormD2

D4D5L3TCADZub.PreisBestellen
B0168.110102E103,46105 7,48 €
B0168.110122E103,46125 7,84 €
B0168.112102E124,59105,6 8,15 €
B0168.112122E124,59125,6 8,32 €
B0168.116102E165,511106,6 8,93 €
B0168.116122E165,511126,6 9,12 €
B0168.120102E206,611107,6 8,42 €
B0168.120122E206,611127,6 10,18 €
B0168.125102E256,611107,6 10,65 €
B0168.125122E256,611127,6 10,97 €

Einsätze rund mit Senkbohrung, Form K

mehr Info

Zeichnungen

Einsätze rund mit Senkbohrung, Form K

Artikelauswahl/-filter

BestellnummerFormD2

D4D5L3TCADZub.PreisBestellen
B0168.110109K103,46105 6,53 €
B0168.110129K103,46125 6,59 €
B0168.112109K124,59105,6 6,87 €
B0168.112129K124,59125,6 6,95 €
B0168.116109K165,511106,6 7,59 €
B0168.116129K165,511126,6 7,68 €
B0168.120109K206,611107,6 8,44 €
B0168.120129K206,611127,6 8,53 €
B0168.125109K256,611107,6 8,90 €
B0168.125129K256,611127,6 8,90 €

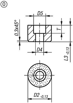
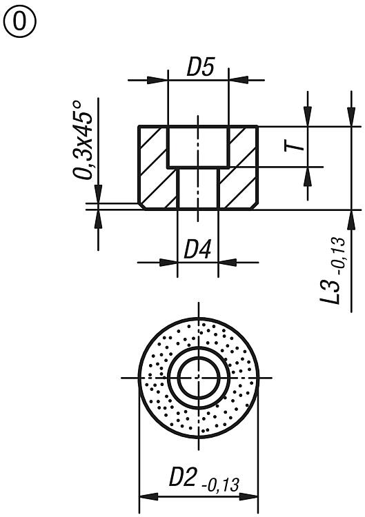
Einsätze rund mit Senkbohrung, Form O

mehr Info

Zeichnungen

Einsätze rund mit Senkbohrung, Form O

Artikelauswahl/-filter

BestellnummerFormD2

D4D5L3TCADZub.PreisBestellen
B0168.110105O103,46105 12,82 €
B0168.110125O103,46125 13,26 €
B0168.112105O124,58105,6 14,32 €
B0168.112125O124,58125,6 14,47 €
B0168.116105O165,511106,6 18,76 €
B0168.116125O165,511126,6 18,98 €
B0168.120105O206,611107,6 18,77 €
B0168.120125O206,611127,6 21,28 €
B0168.125105O256,611107,6 24,36 €
B0168.125125O256,611127,6 25,70 €

Grippers rund Form F

mehr Info

Zeichnungen

Grippers rund Form F

Artikelauswahl/-filter

BestellnummerFormD2

D4D5L3TCADZub.PreisBestellen
B0168.11210F124,58105,6 10,85 €
B0168.11212F124,58125,6 11,37 €
B0168.11610F164,58105,6 14,90 €
B0168.11612F164,58125,6 15,27 €
B0168.12010F205,510106,6 16,53 €
B0168.12012F205,510126,6 17,04 €
B0168.12510F256,611107,6 20,10 €
B0168.12512F256,611127,6 20,62 €
Suche
MeinACCOUNTE-MailPasswort
Warenkorb
Artikelanzahl: 0
Summe: 0,00  
Anzeigen
Schnellbestellung
Deutschland
Sitemap Drucken Top
Copyright © 2025 NORMTEILWERK ROBERT BLOHM GmbH. All rights reserved. Tel. +49 (0) 41 55 / 80 08-0 · Fax +49 (0) 41 55 / 81 11 31