Warengruppen
Grippers, Werkzeugstahl, viereckig
mit Senkbohrung
B0586

Grippers, Werkzeugstahl, viereckig mit Senkbohrung

zurück

Artikelbeschreibung/Produktabbildungen

BeschreibungProduktbeschreibung:Die Grippers und Einsätze eignen sich zum Einbau in Spannarme, Greifersysteme, Spannvorrichtungen und Spannbacken. Durch den Einsatz von Grippers gelingt die Übertragung höchster Drehmomente und überdurchschnittlicher Haltekräfte auch bei harten Werkstoffen und bei Oberflächenunregelmäßigkeiten.Werkstoff:Werkzeugstahl.Ausführung:gehärtet und brüniert.Zubehör:B0123 Zylinderschrauben mit Innensechskant Gewinde bis Kopf DIN 912.
B0127 Zylinderschrauben mit Innensechskant, niedriger Kopf DIN 6912.
B0124 Zylinderschrauben mit Innensechskant DIN EN ISO 4762 erweitert, Stahl oder Edelstahl.
Zeichnungshinweis:
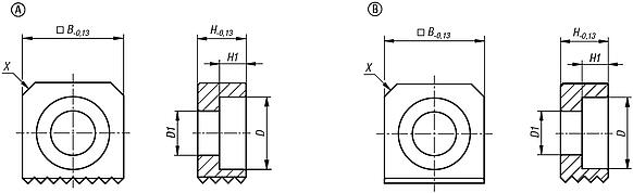
Form A: geriffelt
Form B: keilförmig
Besonderheiten:
RoHS
DownloadHier gibt es die Informationen gesammelt als PDF:

Suchen Sie CAD Daten? Diese finden Sie direkt in der Produkttabelle.
 Datenblatt B0586 Grippers, Werkzeugstahl, viereckig mit Senkbohrung 172 kB

Zeichnungen (Gesamtübersicht)

Grippers, Werkzeugstahl, viereckig
mit Senkbohrung

Grippers, Werkzeugstahl, viereckig
mit Senkbohrung, Form A geriffelt

mehr Info

Zeichnungen

Grippers, Werkzeugstahl, viereckig
mit Senkbohrung, Form A geriffelt

Artikelauswahl/-filter

Bestellnummer
 
FormAusführung 1BHH1DD1für
Schrauben
RiffelungXCADZub.PreisBestellen
B0586.12061Ageriffelt1264,0684,5M4fein2,3x45° 16,07 €
B0586.12101Ageriffelt12104,0684,5M4fein2,3x45° 17,69 €
B0586.12121Ageriffelt12124,0684,5M4fein2,3x45° 19,47 €
B0586.16061Ageriffelt1664,2116,6M6fein3,2x45° 20,57 €
B0586.16101Ageriffelt16104,2116,6M6fein3,2x45° 22,62 €
B0586.16121Ageriffelt16124,2116,6M6fein3,2x45° 24,88 €
B0586.20061Ageriffelt2065,08159M8fein3,2x45° 26,67 €
B0586.20101Ageriffelt20105,08159M8fein3,2x45° 29,32 €
B0586.20121Ageriffelt20125,08159M8fein3,2x45° 30,78 €
B0586.25101Ageriffelt25106,61811M10fein3,2x45° 34,67 €
B0586.25121Ageriffelt25126,61811M10fein3,2x45° 36,40 €

Grippers, Werkzeugstahl, viereckig
mit Senkbohrung, Form B keilförmig

mehr Info

Zeichnungen

Grippers, Werkzeugstahl, viereckig
mit Senkbohrung, Form B keilförmig

Artikelauswahl/-filter

Bestellnummer
 
FormAusführung 1BHH1DD1für
Schrauben
RiffelungXCADZub.PreisBestellen
B0586.12062Bkeilförmig1264,0684,5M4fein2,3x45° 16,07 €
B0586.12102Bkeilförmig12104,0684,5M4fein2,3x45° 17,52 €
B0586.12122Bkeilförmig12124,0684,5M4fein2,3x45° 19,10 €
B0586.16062Bkeilförmig1664,2116,6M6fein3,2x45° 20,57 €
B0586.16102Bkeilförmig16104,2116,6M6fein3,2x45° 22,42 €
B0586.16122Bkeilförmig16124,2116,6M6fein3,2x45° 24,44 €
B0586.20062Bkeilförmig2065,08159M8fein3,2x45° 26,67 €
B0586.20102Bkeilförmig20105,08159M8fein3,2x45° 29,05 €
B0586.20122Bkeilförmig20125,08159M8fein3,2x45° 30,50 €
B0586.25102Bkeilförmig25106,61811M10fein3,2x45° 32,48 €
B0586.25122Bkeilförmig25126,61811M10fein3,2x45° 34,10 €
Suche
MeinACCOUNTE-MailPasswort
Warenkorb
Artikelanzahl: 0
Summe: 0,00  
Anzeigen
Schnellbestellung
Deutschland
Sitemap Drucken Top
Copyright © 2025 NORMTEILWERK ROBERT BLOHM GmbH. All rights reserved. Tel. +49 (0) 41 55 / 80 08-0 · Fax +49 (0) 41 55 / 81 11 31