Product groups
Locating pins and rest pads DIN 6321
B0180

Locating pins and rest pads DIN 6321

go back

Item description/product images

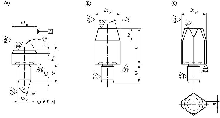
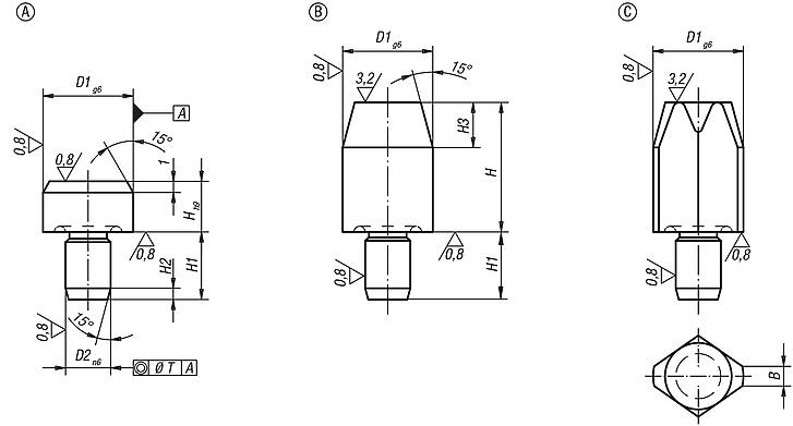
DescriptionMaterial:Tool steel.Version:Hardened and ground.Note:Rest pads Form A are supports for workpieces and fixtures.
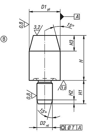
Locating pins Form B are for positioning workpieces and fixture components in reamed holes.
The flattened Form C can be used to bridge tolerances in hole spacing or to secure the part to be positioned in one direction only.
Form A and B can also be used as hardened stops and as fixture feet.
For similar pins see B0177 and B0178.
Drawing reference:
Form A: Rest pad
Form B: Cylindrical locating pin
Form C: Flattened locating pin

For other dimensions see Form A.
DownloadHere is all the information as a PDF datasheet:

Are you looking for CAD data? These can be found directly in the product table.
 Datasheet B0180 Locating pins and rest pads DIN 6321 284 kB

Drawings (total overview)

Locating pins and rest pads DIN 6321

Rest pads, Form A

More information

Drawings

Rest pads, Form A

Item selection/filter

Order No.FormVersion 1D1

D2HH1H2TCADAcc.PriceOrder
B0180.106Awithout centre bore64561,20,02 4.25 €
B0180.110Awithout centre bore106691,60,02 4.80 €
B0180.116Awithout centre bore16881220,04 6.19 €
B0180.125Awithout centre bore251210182,50,04 9.24 €

Cylindrical locating pins, Form B

More information

Drawings

Cylindrical locating pins, Form B

Item selection/filter

Order No.FormVersion 1D1D2HH1H2H3TCADAcc.PriceOrder
B0180.206Bshort version64761,240,02 6.54 €
B0180.208Bshort version861091,660,02 6.80 €
B0180.210Bshort version1061091,660,02 7.02 €
B0180.212Bshort version1261091,660,02 7.54 €
B0180.216Bshort version1681312280,04 8.97 €
B0180.220Bshort version20121518290,04 11.39 €
B0180.225Bshort version251215182,590,04 12.32 €
B0180.306Blong641261,240,02 6.63 €
B0180.308Blong861691,660,02 6.92 €
B0180.310Blong1061891,660,02 7.21 €
B0180.312Blong1261891,660,02 7.79 €
B0180.316Blong1682212280,04 9.03 €
B0180.320Blong20122518290,04 11.94 €
B0180.325Blong251225182,590,04 13.66 €

Flattened locating pins, Form C

More information

Drawings

Flattened locating pins, Form C

Item selection/filter

Order No.FormVersion 1BD1D2HH1H2H3TCADAcc.PriceOrder
B0180.406Cshort version164761,240,02 7.33 €
B0180.408Cshort version1,6861091,660,02 7.98 €
B0180.410Cshort version2,51061091,660,02 9.46 €
B0180.412Cshort version2,51261091,660,02 9.17 €
B0180.416Cshort version3,51681312280,04 11.18 €
B0180.420Cshort version520121518290,04 16.24 €
B0180.425Cshort version5251215182,590,04 16.66 €
B0180.506Clong1641261,240,02 7.46 €
B0180.508Clong1,6861691,660,02 8.13 €
B0180.510Clong2,51061891,660,02 9.58 €
B0180.512Clong2,51261891,660,02 10.28 €
B0180.516Clong3,51682212280,04 13.87 €
B0180.520Clong520122518290,04 16.81 €
B0180.525Clong5251225182,590,04 18.90 €
Search
Shopping cart
Number of items: 0
Amount: 0.00  
Display
Speed ordering
Germany
Sitemap Print Top
Copyright © 2025 NORMTEILWERK ROBERT BLOHM GmbH. All rights reserved. Tel. +49 (0) 41 55 / 80 08-0 · Fax +49 (0) 41 55 / 81 11 31