|
|
|
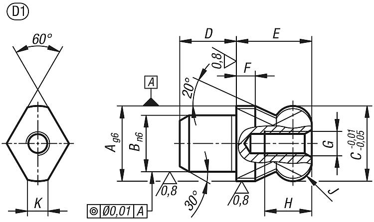
B0174Locating pins with flattened ball-end Form D |
go back |
|
Item description/product images |
|
|
DescriptionMaterial:Tool steel or 1.4305 stainless steel. Version:Steel hardened and ground. Stainless steel ground and kolsterised.Note:Ball end locating pins are specially designed to ease the locating process. The tendency to jam, caused by the locating hole not being at right angles to the pin or by the pushing force not being parallel to the pin axis, is minimized by the ball-end form (see illustration 1) DownloadHere is all the information as a PDF datasheet:
Are you looking for CAD data? These can be found directly in the product table.
|
Drawings (total overview) |
Locating pins with flattened ball end Form D, internal thread one side in blind hole
|
More information |
| Order No. | Material | A | B | C | D | E | F | G | H | J | K | Version 1 | Thread core hole | CAD | Acc. | Price | Order |
|---|
| B0174.062 | tool steel | 6 | 4 | 6 | 4 | 6 | 2 | M2,5 | 4,5 | R 1 | 1,7 | Internal thread one side | Blind hole |  | | 16.09 € | | | B0174.082 | tool steel | 8 | 6 | 8 | 6 | 8 | 2 | M3 | 6 | R 2 | 2 | Internal thread one side | Blind hole |  | | 18.12 € | | | B0174.102 | tool steel | 10 | 7 | 10 | 7 | 10 | 2,5 | M3 | 6 | R 2,5 | 2,5 | Internal thread one side | Blind hole |  | | 20.68 € | | | B0174.122 | tool steel | 12 | 8 | 12 | 8 | 12 | 3 | M4 | 8 | R 3 | 2,5 | Internal thread one side | Blind hole |  | | 21.26 € | | | B0174.142 | tool steel | 14 | 10 | 14 | 10 | 14 | 3,5 | M4 | 8 | R 3,5 | 3,76 | Internal thread one side | Blind hole |  | | 22.46 € | | | B0174.162 | tool steel | 16 | 12 | 16 | 12 | 16 | 4 | M5 | 10 | R 4 | 4,3 | Internal thread one side | Blind hole |  | | 22.65 € | | | B0174.202 | tool steel | 20 | 14 | 20 | 14 | 20 | 5 | M5 | 10 | R 5 | 5 | Internal thread one side | Blind hole |  | | 25.31 € | | | B0174.222 | tool steel | 22 | 16 | 22 | 16 | 22 | 5,5 | M5 | 10 | R 5,5 | 5 | Internal thread one side | Blind hole |  | | 28.46 € | | | B0174.252 | tool steel | 25 | 18 | 25 | 18 | 25 | 6 | M5 | 10 | R 6 | 5,6 | Internal thread one side | Blind hole |  | | 31.18 € | | | B0174.5062 | stainless steel | 6 | 4 | 6 | 4 | 6 | 2 | M2,5 | 4,5 | R 1 | 1,7 | Internal thread one side | Blind hole |  | | 20.73 € | | | B0174.5082 | stainless steel | 8 | 6 | 8 | 6 | 8 | 2 | M3 | 6 | R 2 | 2 | Internal thread one side | Blind hole |  | | 23.31 € | | | B0174.5102 | stainless steel | 10 | 7 | 10 | 7 | 10 | 2,5 | M3 | 6 | R 2,5 | 2,5 | Internal thread one side | Blind hole |  | | 26.62 € | | | B0174.5122 | stainless steel | 12 | 8 | 12 | 8 | 12 | 3 | M4 | 8 | R 3 | 2,5 | Internal thread one side | Blind hole |  | | 28.62 € | | | B0174.5142 | stainless steel | 14 | 10 | 14 | 10 | 14 | 3,5 | M4 | 8 | R 3,5 | 3,76 | Internal thread one side | Blind hole |  | | 30.44 € | | | B0174.5162 | stainless steel | 16 | 12 | 16 | 12 | 16 | 4 | M5 | 10 | R 4 | 4,3 | Internal thread one side | Blind hole |  | | 30.64 € | | | B0174.5202 | stainless steel | 20 | 14 | 20 | 14 | 20 | 5 | M5 | 10 | R 5 | 5 | Internal thread one side | Blind hole |  | | 44.67 € | |
|
|
Locating pins with flattened ball end Form D, internal thread both sides in through hole |
More information |
| Order No. | Material | A | B | C | D | E | F | G | H | J | K | Version 1 | Thread core hole | CAD | Acc. | Price | Order |
|---|
| B0174.06022 | tool steel | 6 | 4 | 6 | 4 | 6 | 2 | M2,5 | 4,5 | R 1 | 1,7 | Internal thread on both sides | Through hole |  | | 16.09 € | | | B0174.08022 | tool steel | 8 | 6 | 8 | 6 | 8 | 2 | M3 | 6 | R 2 | 2 | Internal thread on both sides | Through hole |  | | 18.12 € | | | B0174.10022 | tool steel | 10 | 7 | 10 | 7 | 10 | 2,5 | M3 | 6 | R 2,5 | 2,5 | Internal thread on both sides | Through hole |  | | 20.68 € | | | B0174.12022 | tool steel | 12 | 8 | 12 | 8 | 12 | 3 | M4 | 8 | R 3 | 2,5 | Internal thread on both sides | Through hole |  | | 21.26 € | | | B0174.14022 | tool steel | 14 | 10 | 14 | 10 | 14 | 3,5 | M4 | 8 | R 3,5 | 3,76 | Internal thread on both sides | Through hole |  | | 22.46 € | | | B0174.16022 | tool steel | 16 | 12 | 16 | 12 | 16 | 4 | M5 | 10 | R 4 | 4,3 | Internal thread on both sides | Through hole |  | | 22.65 € | | | B0174.506022 | stainless steel | 6 | 4 | 6 | 4 | 6 | 2 | M2,5 | 4,5 | R 1 | 1,7 | Internal thread on both sides | Through hole |  | | 20.73 € | | | B0174.508022 | stainless steel | 8 | 6 | 8 | 6 | 8 | 2 | M3 | 6 | R 2 | 2 | Internal thread on both sides | Through hole |  | | 23.31 € | | | B0174.510022 | stainless steel | 10 | 7 | 10 | 7 | 10 | 2,5 | M3 | 6 | R 2,5 | 2,5 | Internal thread on both sides | Through hole |  | | 26.62 € | | | B0174.512022 | stainless steel | 12 | 8 | 12 | 8 | 12 | 3 | M4 | 8 | R 3 | 2,5 | Internal thread on both sides | Through hole |  | | 28.62 € | | | B0174.514022 | stainless steel | 14 | 10 | 14 | 10 | 14 | 3,5 | M4 | 8 | R 3,5 | 3,76 | Internal thread on both sides | Through hole |  | | 30.44 € | | | B0174.516022 | stainless steel | 16 | 12 | 16 | 12 | 16 | 4 | M5 | 10 | R 4 | 4,3 | Internal thread on both sides | Through hole |  | | 30.64 € | |
|
Other items in this category |
|
|