Product groups

Item description/product images

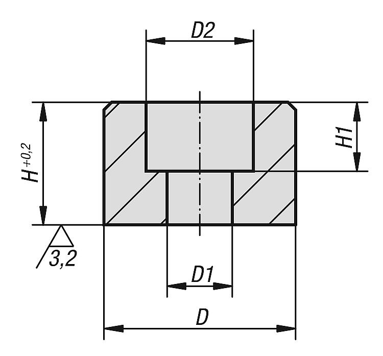
DescriptionMaterial:Steel.Version:Hardened, black oxidised.
DownloadHere is all the information as a PDF datasheet:

Are you looking for CAD data? These can be found directly in the product table.
 Datasheet B0191 Locating feet 219 kB

Drawings

Locating feet

Item selection/filter

Order No.DD1

D2HH1CADAcc.PriceOrder
B0191.05165,510105,7 6.57 €
B0191.06206,611127 7.55 €
B0191.0825915169 9.38 €
B0191.103211182011 12.70 €
B0191.123613,5202513 15.83 €
Search
Shopping cart
Number of items: 0
Amount: 0.00  
Display
Speed ordering
Germany
Sitemap Print Top
Copyright © 2025 NORMTEILWERK ROBERT BLOHM GmbH. All rights reserved. Tel. +49 (0) 41 55 / 80 08-0 · Fax +49 (0) 41 55 / 81 11 31