Product groups
Steel plate swivel and fixed castors with steel wire reinforced elastic solid rubber tyres, heavy duty version
B0484

Steel plate swivel and fixed castors with steel wire reinforced...

go back

Item description/product images

Show/filter all items
DescriptionMaterial:Housing thick steel plate.
Tyres steel-wire reinforced elastic solid rubber.
Wheel body welded steel.
Version:Housing press formed.
Reinforced fork, base plate and centre pin.
Double ball bearing with hardened shells in the castor head.
Precision ball bearings in the wheels.
Note:These castors are particularly impact and shock proof and assure a high service life.
Wheel axle bolted.
DownloadHere is all the information as a PDF datasheet:

Are you looking for CAD data? These can be found directly in the product table.
 Datasheet B0484 Steel plate swivel and fixed castors with steel wire reinforced elastic solid rubber tyres, heavy duty version 506 kB

Drawings (total overview)

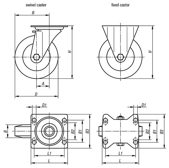
Steel plate swivel and fixed castors with steel wire reinforced elastic solid rubber tyres, heavy duty version
Steel plate swivel and fixed castors with steel wire reinforced elastic solid rubber tyres, heavy duty version

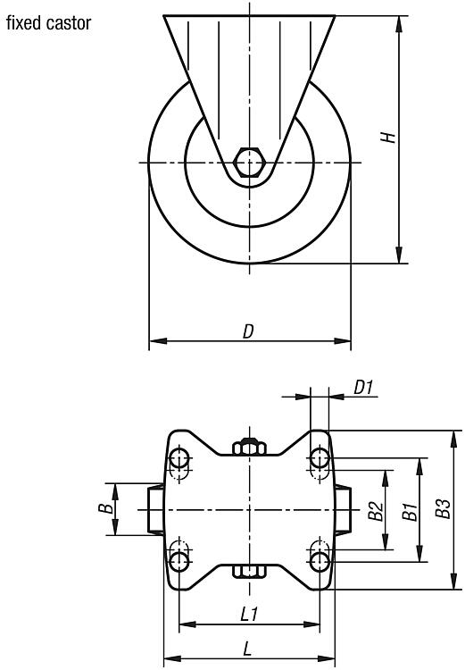
Steel plate fixed castors with steel wire reinforced elastic solid rubber tyres, heavy duty version

More information

Drawings

Steel plate fixed castors with steel wire reinforced elastic solid rubber tyres, heavy duty version

Item selection/filter

Order No.DesignationVersion 1Wheel
bearing
BB1B2B3DD1HLL1Permissible
load
kg
CADAcc.PriceOrder
B0484.100401Fixed castorwithout locking systemBall bearing4060-85100914010080180 59.99 €
B0484.125501Fixed castorwithout locking systemBall bearing50807511012511170140105280 92.52 €
B0484.160501Fixed castorwithout locking systemBall bearing50807511016011202140105400 127.99 €
B0484.200501Fixed castorwithout locking systemBall bearing50807511020011245140105500 138.38 €
B0484.250601Fixed castorwithout locking systemBall bearing60807511025011295140105700 211.39 €

Steel plate swivel castors with steel wire reinforced elastic solid rubber tyres, heavy duty version

More information

Drawings

Steel plate swivel castors with steel wire reinforced elastic solid rubber tyres, heavy duty version
Steel plate swivel castors with steel wire reinforced elastic solid rubber tyres, heavy duty version

Item selection/filter

Order No.DesignationVersion 1Wheel
bearing
ABB1B2B3DD1HLL1RPermissible
load
kg
CADAcc.PriceOrder
B0484.10040Swivel castorwithout locking systemBall bearing454060-8510091401008095180 102.95 €
B0484.12550Swivel castorwithout locking systemBall bearing5550807511012511170140105117,5280 132.41 €
B0484.16050Swivel castorwithout locking systemBall bearing6550807511016011202140105145400 175.64 €
B0484.20050Swivel castorwithout locking systemBall bearing7050807511020011245140105170500 191.87 €
B0484.25060Swivel castorwithout locking systemBall bearing8260807511025011295140105207700 265.06 €

Steel plate swivel castors with stop-top, steel wire reinforced elastic solid rubber tyres, heavy duty version

More information

Drawings

Steel plate swivel castors with stop-top, steel wire reinforced elastic solid rubber tyres, heavy duty version
Steel plate swivel castors with stop-top, steel wire reinforced elastic solid rubber tyres, heavy duty version

Item selection/filter

Order No.DesignationVersion 1Wheel
bearing
ABB1B2B3DD1HLL1RPermissible
load
kg
CADAcc.PriceOrder
B0484.100402Swivel castorwith stop-top locking systemBall bearing454060-8510091401008095180 138.38 €
B0484.125502Swivel castorwith stop-top locking systemBall bearing5550807511012511170140105117,5280 167.50 €
B0484.160502Swivel castorwith stop-top locking systemBall bearing6550807511016011202140105145400 209.80 €
B0484.200502Swivel castorwith stop-top locking systemBall bearing7050807511020011245140105170500 227.65 €
B0484.250602Swivel castorwith stop-top locking systemBall bearing8260807511025011295140105207700 300.82 €
Search
Shopping cart
Number of items: 0
Amount: 0.00  
Display
Speed ordering
Germany
Sitemap Print Top
Copyright © 2025 NORMTEILWERK ROBERT BLOHM GmbH. All rights reserved. Tel. +49 (0) 41 55 / 80 08-0 · Fax +49 (0) 41 55 / 81 11 31