Product groups
Steel plate swivel and fixed castors with polyamide wheels, heavy duty version
B0490

Steel plate swivel and fixed castors with polyamide wheels,...

go back

Item description/product images

Show/filter all items
DescriptionMaterial:Housing thick steel plate.
Wheels PA 6.
Version:Housing press formed.
Swivel castor housing with strong fork and base plate, very robust centre pin bolted and secured. The swivel head is additionally reinforced with specially formed and hardened bearing shells.
Plain bearings in the wheels.
Note:Wheel axle bolted. The wheels are particularly shock and impact proof and have high abrasion resistance.
DownloadHere is all the information as a PDF datasheet:

Are you looking for CAD data? These can be found directly in the product table.
 Datasheet B0490 Steel plate swivel and fixed castors with polyamide wheels, heavy duty version 448 kB

Drawings (total overview)

Steel plate swivel and fixed castors with polyamide wheels, heavy duty version
Steel plate swivel and fixed castors with polyamide wheels, heavy duty version

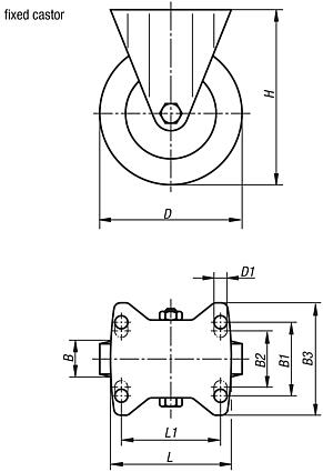
Steel plate fixed castors with polyamide wheels, heavy duty version

More information

Drawings

Steel plate fixed castors with polyamide wheels, heavy duty version

Item selection/filter

Order No.DesignationVersion 1Wheel
bearing
BB1B2B3DD1HLL1Permissible
load
kg
CADAcc.PriceOrder
B0490.100371Fixed castorwithout locking systemPlain bearing3760-85100914010080280 27.31 €
B0490.125401Fixed castorwithout locking systemPlain bearing4060-85125916510080300 31.23 €
B0490.150501Fixed castorwithout locking systemPlain bearing50807511015011197140105400 52.84 €
B0490.200501Fixed castorwithout locking systemPlain bearing50807511020011245140105600 71.37 €

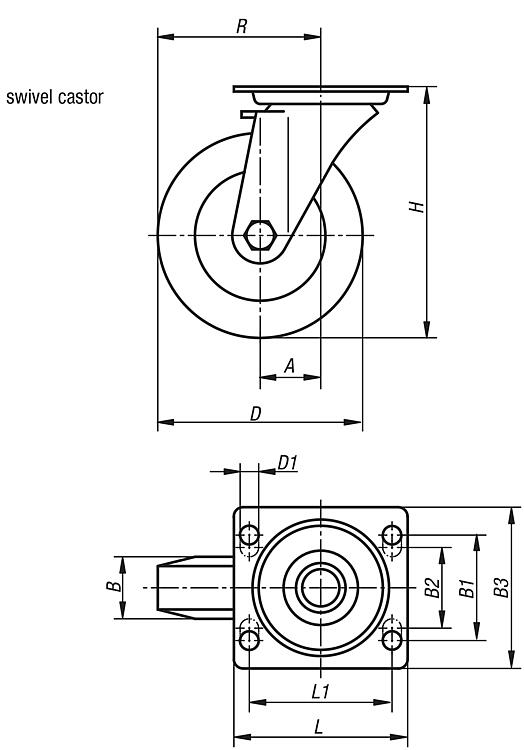
Steel plate swivel castors with polyamide wheels, heavy duty version

More information

Drawings

Steel plate swivel castors with polyamide wheels, heavy duty version
Steel plate swivel castors with polyamide wheels, heavy duty version

Item selection/filter

Order No.DesignationVersion 1Wheel
bearing
ABB1B2B3DD1HLL1RPermissible
load
kg
CADAcc.PriceOrder
B0490.10037Swivel castorwithout locking systemPlain bearing453760-8510091401008095280 69.75 €
B0490.12540Swivel castorwithout locking systemPlain bearing454060-85125916510080107,5300 73.97 €
B0490.15050Swivel castorwithout locking systemPlain bearing6550807511015011197140105140400 98.55 €
B0490.20050Swivel castorwithout locking systemPlain bearing7050807511020011245140105170600 124.54 €

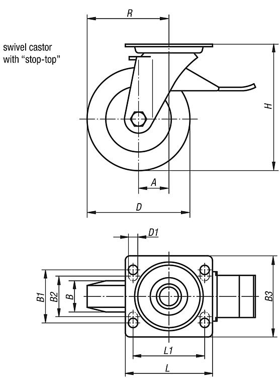
Steel plate swivel castors with stop-top, polyamide wheels, heavy duty version

More information

Drawings

Steel plate swivel castors with stop-top, polyamide wheels, heavy duty version
Steel plate swivel castors with stop-top, polyamide wheels, heavy duty version

Item selection/filter

Order No.DesignationVersion 1Wheel
bearing
ABB1B2B3DD1HLL1RPermissible
load
kg
CADAcc.PriceOrder
B0490.100372Swivel castorwith stop-top locking systemPlain bearing453760-8510091401008095280 104.57 €
B0490.125402Swivel castorwith stop-top locking systemPlain bearing454060-85125916510080107,5300 108.96 €
B0490.150502Swivel castorwith stop-top locking systemPlain bearing6550807511015011197140105140400 134.98 €
B0490.200502Swivel castorwith stop-top locking systemPlain bearing7050807511020011245140105170600 159.98 €
Search
Shopping cart
Number of items: 0
Amount: 0.00  
Display
Speed ordering
Germany
Sitemap Print Top
Copyright © 2025 NORMTEILWERK ROBERT BLOHM GmbH. All rights reserved. Tel. +49 (0) 41 55 / 80 08-0 · Fax +49 (0) 41 55 / 81 11 31