Product groups
Cam-action indexing plungers stainless steel
B0533

Cam-action indexing plungers stainless steel

go back

Item description/product images

Show/filter all items
DescriptionProduct description:Cam-action indexing plungers are used where any change in locking position due to lateral forces should be prevented. Turning the grip through 180° retracts the indexing pin, enabling a change in the indexed position. The notch ensures that the grip remains in this position and the indexing pin remains retracted.Material:Grip 1.4308.
Sleeve 1.4301.
Indexing pin 1.4305.
Spring 1.4310.
Grip cap thermoplastic PA.
Version:Sleeve and grip bright.
Indexing pin ground and left bright.
Spring bright.
Grip cap in various colours:
-black grey RAL 7021
-pure orange RAL 2004
-colza yellow RAL 1021
-traffic red RAL 3020
-signal green RAL 6032
-traffic blue RAL 5017
-light grey RAL 7035
Note:If the cam-action indexing plunger is to be welded on, the sleeve should be tack welded so that the spring is not thermally damaged from the high temperatures.Advantages:Turning the grip through 180° retracts the pin.
Optionally available with coloured plastic grip caps.
Smooth sleeve, Connecting option via adapter sleeve
On request:Special versions.
Accessory:Positioning bush B0063.
Drawing reference:
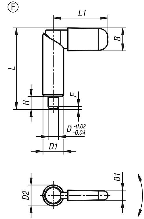
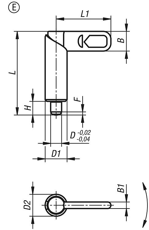
Form E: without grip cap
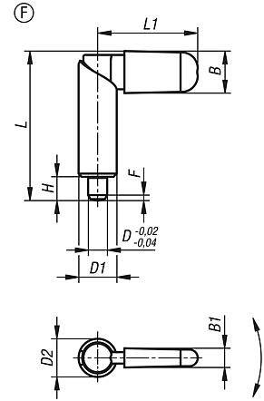
Form F: with grip cap
Special features:
Stainless steelRoHS
DownloadHere is all the information as a PDF datasheet:

Are you looking for CAD data? These can be found directly in the product table.
 Datasheet B0533 Cam-action indexing plungers stainless steel 220 kB

Drawings (total overview)

Cam-action indexing plungers stainless steel

Cam-action indexing plungers, stainless steel, Form E, without grip cap

More information

Drawings

Cam-action indexing plungers, stainless steel, Form E, without grip cap

Item selection/filter

Order No.FormDD1LL1BB1HFx30°Spring force
initial pressure
F1 approx. N
Spring force
final pressure
F2 approx. N
CADAcc.PriceOrder
B0533.1080410E41039,526,310,94,961814 14.01 €
B0533.1080510E51039,526,310,94,961,3814 14.01 €
B0533.1080610E61039,526,310,94,961,8814 14.01 €
B0533.1080512E51248,431,112,95,781,3814 15.39 €
B0533.1080612E61248,431,112,95,781,8814 15.39 €
B0533.1080812E81248,431,112,95,782,3814 15.39 €
B0533.1080616E61662,341,516,67101,81535 16.81 €
B0533.1080816E81662,341,516,67102,31535 16.81 €
B0533.1081016E101662,841,516,67102,81535 16.81 €
B0533.1080820E82072,351,320,58,5122,32060 20.01 €
B0533.1081020E102072,351,320,58,5122,82060 20.01 €
B0533.1081220E122072,351,320,58,51232060 20.01 €

Cam-action indexing plungers, stainless steel, Form F, with grip cap

More information

Drawings

Cam-action indexing plungers, stainless steel, Form F, with grip cap

Item selection/filter

Order No.FormComponent
colour
DD1LL1BB1HFx30°Spring force
initial pressure
F1 approx. N
Spring force
final pressure
F2 approx. N
CADAcc.PriceOrder
B0533.1090410Fblack grey RAL 702141039,526,310,94,961814 14.65 €
B0533.1090510Fblack grey RAL 702151039,526,310,94,961,3814 14.65 €
B0533.1090610Fblack grey RAL 702161039,526,310,94,961,8814 14.65 €
B0533.1090512Fblack grey RAL 702151248,431,112,95,781,3814 16.03 €
B0533.1090612Fblack grey RAL 702161248,431,112,95,781,8814 16.03 €
B0533.1090812Fblack grey RAL 702181248,431,112,95,782,3814 16.03 €
B0533.1090616Fblack grey RAL 702161662,341,516,67101,81535 17.44 €
B0533.1090816Fblack grey RAL 702181662,341,516,67102,31535 17.44 €
B0533.1091016Fblack grey RAL 7021101662,841,516,67102,81535 17.44 €
B0533.1090820Fblack grey RAL 702182072,351,320,58,5122,32060 20.63 €
B0533.1091020Fblack grey RAL 7021102072,351,320,58,5122,82060 20.63 €
B0533.1091220Fblack grey RAL 7021122072,351,320,58,51232060 20.63 €
B0533.10904102Forange RAL 200441039,526,310,94,961814 14.65 €
B0533.10905102Forange RAL 200451039,526,310,94,961,3814 14.65 €
B0533.10906102Forange RAL 200461039,526,310,94,961,8814 14.65 €
B0533.10905122Forange RAL 200451248,431,112,95,781,3814 16.03 €
B0533.10906122Forange RAL 200461248,431,112,95,781,8814 16.03 €
B0533.10908122Forange RAL 200481248,431,112,95,782,3814 16.03 €
B0533.10906162Forange RAL 200461662,341,516,67101,81535 17.44 €
B0533.10908162Forange RAL 200481662,341,516,67102,31535 17.44 €
B0533.10910162Forange RAL 2004101662,841,516,67102,81535 17.44 €
B0533.10908202Forange RAL 200482072,351,320,58,5122,32060 20.63 €
B0533.10910202Forange RAL 2004102072,351,320,58,5122,82060 20.63 €
B0533.10912202Forange RAL 2004122072,351,320,58,51232060 20.63 €
B0533.109041016Fcolza yellow RAL 102141039,526,310,94,961814 14.65 €
B0533.109051016Fcolza yellow RAL 102151039,526,310,94,961,3814 14.65 €
B0533.109061016Fcolza yellow RAL 102161039,526,310,94,961,8814 14.65 €
B0533.109051216Fcolza yellow RAL 102151248,431,112,95,781,3814 16.03 €
B0533.109061216Fcolza yellow RAL 102161248,431,112,95,781,8814 16.03 €
B0533.109081216Fcolza yellow RAL 102181248,431,112,95,782,3814 16.03 €
B0533.109061616Fcolza yellow RAL 102161662,341,516,67101,81535 17.44 €
B0533.109081616Fcolza yellow RAL 102181662,341,516,67102,31535 17.44 €
B0533.109101616Fcolza yellow RAL 1021101662,841,516,67102,81535 17.44 €
B0533.109082016Fcolza yellow RAL 102182072,351,320,58,5122,32060 20.63 €
B0533.109102016Fcolza yellow RAL 1021102072,351,320,58,5122,82060 20.63 €
B0533.109122016Fcolza yellow RAL 1021122072,351,320,58,51232060 20.63 €
B0533.109041084Ftraffic red RAL 302041039,526,310,94,961814 14.65 €
B0533.109051084Ftraffic red RAL 302051039,526,310,94,961,3814 14.65 €
B0533.109061084Ftraffic red RAL 302061039,526,310,94,961,8814 14.65 €
B0533.109051284Ftraffic red RAL 302051248,431,112,95,781,3814 16.03 €
B0533.109061284Ftraffic red RAL 302061248,431,112,95,781,8814 16.03 €
B0533.109081284Ftraffic red RAL 302081248,431,112,95,782,3814 16.03 €
B0533.109061684Ftraffic red RAL 302061662,341,516,67101,81535 17.44 €
B0533.109081684Ftraffic red RAL 302081662,341,516,67102,31535 17.44 €
B0533.109101684Ftraffic red RAL 3020101662,841,516,67102,81535 17.44 €
B0533.109082084Ftraffic red RAL 302082072,351,320,58,5122,32060 20.63 €
B0533.109102084Ftraffic red RAL 3020102072,351,320,58,5122,82060 20.63 €
B0533.109122084Ftraffic red RAL 3020122072,351,320,58,51232060 20.63 €
B0533.109041086Fsignal green RAL 603241039,526,310,94,961814 14.65 €
B0533.109051086Fsignal green RAL 603251039,526,310,94,961,3814 14.65 €
B0533.109061086Fsignal green RAL 603261039,526,310,94,961,8814 14.65 €
B0533.109051286Fsignal green RAL 603251248,431,112,95,781,3814 16.03 €
B0533.109061286Fsignal green RAL 603261248,431,112,95,781,8814 16.03 €
B0533.109081286Fsignal green RAL 603281248,431,112,95,782,3814 16.03 €
B0533.109061686Fsignal green RAL 603261662,341,516,67101,81535 17.44 €
B0533.109081686Fsignal green RAL 603281662,341,516,67102,31535 17.44 €
B0533.109101686Fsignal green RAL 6032101662,841,516,67102,81535 17.44 €
B0533.109082086Fsignal green RAL 603282072,351,320,58,5122,32060 20.63 €
B0533.109102086Fsignal green RAL 6032102072,351,320,58,5122,82060 20.63 €
B0533.109122086Fsignal green RAL 6032122072,351,320,58,51232060 20.63 €
B0533.109041087Ftraffic blue RAL 501741039,526,310,94,961814 14.65 €
B0533.109051087Ftraffic blue RAL 501751039,526,310,94,961,3814 14.65 €
B0533.109061087Ftraffic blue RAL 501761039,526,310,94,961,8814 14.65 €
B0533.109051287Ftraffic blue RAL 501751248,431,112,95,781,3814 16.03 €
B0533.109061287Ftraffic blue RAL 501761248,431,112,95,781,8814 16.03 €
B0533.109081287Ftraffic blue RAL 501781248,431,112,95,782,3814 16.03 €
B0533.109061687Ftraffic blue RAL 501761662,341,516,67101,81535 17.44 €
B0533.109081687Ftraffic blue RAL 501781662,341,516,67102,31535 17.44 €
B0533.109101687Ftraffic blue RAL 5017101662,841,516,67102,81535 17.44 €
B0533.109082087Ftraffic blue RAL 501782072,351,320,58,5122,32060 20.63 €
B0533.109102087Ftraffic blue RAL 5017102072,351,320,58,5122,82060 20.63 €
B0533.109122087Ftraffic blue RAL 5017122072,351,320,58,51232060 20.63 €
B0533.109041088Flight grey RAL 703541039,526,310,94,961814 14.65 €
B0533.109051088Flight grey RAL 703551039,526,310,94,961,3814 14.65 €
B0533.109061088Flight grey RAL 703561039,526,310,94,961,8814 14.65 €
B0533.109051288Flight grey RAL 703551248,431,112,95,781,3814 16.03 €
B0533.109061288Flight grey RAL 703561248,431,112,95,781,8814 16.03 €
B0533.109081288Flight grey RAL 703581248,431,112,95,782,3814 16.03 €
B0533.109061688Flight grey RAL 703561662,341,516,67101,81535 17.44 €
B0533.109081688Flight grey RAL 703581662,341,516,67102,31535 17.44 €
B0533.109101688Flight grey RAL 7035101662,841,516,67102,81535 17.44 €
B0533.109082088Flight grey RAL 703582072,351,320,58,5122,32060 20.63 €
B0533.109102088Flight grey RAL 7035102072,351,320,58,5122,82060 20.63 €
B0533.109122088Flight grey RAL 7035122072,351,320,58,51232060 20.63 €
Search
Shopping cart
Number of items: 0
Amount: 0.00  
Display
Speed ordering
Germany
Sitemap Print Top
Copyright © 2025 NORMTEILWERK ROBERT BLOHM GmbH. All rights reserved. Tel. +49 (0) 41 55 / 80 08-0 · Fax +49 (0) 41 55 / 81 11 31