|
|
|
B0598Cam-action indexing plungers, steel with internal guide |
go back |
|
Item description/product images |
|
|
DescriptionProduct description:Cam-action indexing plungers are used where any change in locking position due to lateral forces should be prevented. Turning the grip through 180° retracts the indexing pin, enabling a change in the indexed position. The notch ensures that the grip remains in this position and the indexing pin remains retracted.Material:Threaded sleeve and grip 1.0503. Indexing pin free-cutting steel. Spring 1.4310. Grip cap thermoplastic PA.Version:Threaded sleeve and grip black oxidised. Indexing pin hardened, ground and black oxidised. Spring bright. Grip cap in various colours: - black grey RAL 7021 - pure orange RAL 2004 - colza yellow RAL 1021 - traffic red RAL 3020 - signal green RAL 6032 - traffic blue RAL 5017 - light grey RAL 7035Application:The closed construction of these indexing plungers with internal guide permits them to be installed in places subject to heavy soiling e.g. dust and airborn sparks.Advantages:- The indexing pin is retracted by rotating the grip through 180°. - The closed design prevents dirt from entering the threaded sleeve. - The hexagon on the sleeve facilitates easy installation of the indexing plunger.On request:Special versions.Accessory:Mounting bracket B0065, B0066. Positioning bush B0063. Drawing reference:Form A: without grip cap or locknut Form B: without grip cap, with locknut Form C: with grip cap, without locknut Form D: with grip cap and locknut Special features: DownloadHere is all the information as a PDF datasheet:
Are you looking for CAD data? These can be found directly in the product table.
|
Drawings (total overview) |
Cam-action indexing plungers, steel with internal guide, Form A, without grip cap, with nut |
More information |
| Order No. | Form | D | D1 | D2 | L | L1 | L3 | B | B1 | H | SW1 | Fx30° | Spring force initial pressure F1 approx. N | Spring force final pressure F2 approx. N | CAD | Acc. | Price | Order |
|---|
| B0598.0405101 | A | 5 | M10x1 | 16 | 45,8 | 25 | 15 | 9 | 3 | 6 | 13 | 1,3 | 8 | 14 |  | | 13.42 € | | | B0598.0406121 | A | 6 | M12x1,5 | 17,4 | 55,4 | 30 | 19 | 10,2 | 3,6 | 8 | 14 | 1,8 | 8 | 15 |  | | 13.62 € | | | B0598.0408161 | A | 8 | M16x1,5 | 21,6 | 71 | 40 | 26 | 14,4 | 4,8 | 10 | 19 | 2,3 | 15 | 35 |  | | 16.37 € | | | B0598.0410201 | A | 10 | M20x1,5 | 24,8 | 80,5 | 50 | 30 | 17 | 6 | 12 | 22 | 2,8 | 20 | 60 |  | | 18.17 € | |
|
Cam-action indexing plungers, steel with internal guide, Form B, without grip cap, with nut |
More information |
| Order No. | Form | D | D1 | D2 | L | L1 | L3 | B | B1 | H | SW1 | SW2 | Fx30° | Spring force initial pressure F1 approx. N | Spring force final pressure F2 approx. N | CAD | Acc. | Price | Order |
|---|
| B0598.0505101 | B | 5 | M10x1 | 16 | 45,8 | 25 | 15 | 9 | 3 | 6 | 13 | 17 | 1,3 | 8 | 14 |  | | 13.54 € | | | B0598.0506121 | B | 6 | M12x1,5 | 17,4 | 55,4 | 30 | 19 | 10,2 | 3,6 | 8 | 14 | 19 | 1,8 | 8 | 15 |  | | 13.75 € | | | B0598.0508161 | B | 8 | M16x1,5 | 21,6 | 71 | 40 | 26 | 14,4 | 4,8 | 10 | 19 | 24 | 2,3 | 15 | 35 |  | | 16.50 € | | | B0598.0510201 | B | 10 | M20x1,5 | 24,8 | 80,5 | 50 | 30 | 17 | 6 | 12 | 22 | 30 | 2,8 | 20 | 60 |  | | 19.02 € | |
|
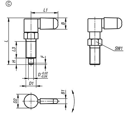
Cam-action indexing plunger, steel with internal guide, Form C, with grip cap, without nut |
More information |
| Order No. | Form | Component colour | D | D1 | D2 | L | L1 | L3 | B | B1 | H | SW1 | Fx30° | Spring force initial pressure F1 approx. N | Spring force final pressure F2 approx. N | CAD | Acc. | Price | Order |
|---|
| B0598.0605101 | C | black grey RAL 7021 | 5 | M10x1 | 16 | 46,7 | 26,3 | 15 | 10,9 | 4,9 | 6 | 13 | 1,3 | 8 | 14 |  | | 13.94 € | | | B0598.0606121 | C | black grey RAL 7021 | 6 | M12x1,5 | 17,4 | 56,5 | 31,5 | 19 | 13 | 5,8 | 8 | 14 | 1,8 | 8 | 15 |  | | 14.24 € | | | B0598.0608161 | C | black grey RAL 7021 | 8 | M16x1,5 | 21,6 | 72,6 | 42 | 26 | 17,7 | 8,1 | 10 | 19 | 2,3 | 15 | 35 |  | | 17.03 € | | | B0598.0610201 | C | black grey RAL 7021 | 10 | M20x1,5 | 24,8 | 82,3 | 51,6 | 30 | 21,5 | 9,5 | 12 | 22 | 2,8 | 20 | 60 |  | | 19.29 € | | | B0598.06051012 | C | orange RAL 2004 | 5 | M10x1 | 16 | 46,7 | 26,3 | 15 | 10,9 | 4,9 | 6 | 13 | 1,3 | 8 | 14 |  | | 13.94 € | | | B0598.06061212 | C | orange RAL 2004 | 6 | M12x1,5 | 17,4 | 56,5 | 31,5 | 19 | 13 | 5,8 | 8 | 14 | 1,8 | 8 | 15 |  | | 14.24 € | | | B0598.06081612 | C | orange RAL 2004 | 8 | M16x1,5 | 21,6 | 72,6 | 42 | 26 | 17,7 | 8,1 | 10 | 19 | 2,3 | 15 | 35 |  | | 17.03 € | | | B0598.06102012 | C | orange RAL 2004 | 10 | M20x1,5 | 24,8 | 82,3 | 51,6 | 30 | 21,5 | 9,5 | 12 | 22 | 2,8 | 20 | 60 |  | | 19.29 € | | | B0598.060510116 | C | colza yellow RAL 1021 | 5 | M10x1 | 16 | 46,7 | 26,3 | 15 | 10,9 | 4,9 | 6 | 13 | 1,3 | 8 | 14 |  | | 13.94 € | | | B0598.060612116 | C | colza yellow RAL 1021 | 6 | M12x1,5 | 17,4 | 56,5 | 31,5 | 19 | 13 | 5,8 | 8 | 14 | 1,8 | 8 | 15 |  | | 14.24 € | | | B0598.060816116 | C | colza yellow RAL 1021 | 8 | M16x1,5 | 21,6 | 72,6 | 42 | 26 | 17,7 | 8,1 | 10 | 19 | 2,3 | 15 | 35 |  | | 17.03 € | | | B0598.061020116 | C | colza yellow RAL 1021 | 10 | M20x1,5 | 24,8 | 82,3 | 51,6 | 30 | 21,5 | 9,5 | 12 | 22 | 2,8 | 20 | 60 |  | | 19.29 € | | | B0598.060510148 | C | traffic red RAL 3020 | 5 | M10x1 | 16 | 46,7 | 26,3 | 15 | 10,9 | 4,9 | 6 | 13 | 1,3 | 8 | 14 |  | | 13.94 € | | | B0598.060612148 | C | traffic red RAL 3020 | 6 | M12x1,5 | 17,4 | 56,5 | 31,5 | 19 | 13 | 5,8 | 8 | 14 | 1,8 | 8 | 15 |  | | 14.24 € | | | B0598.060816148 | C | traffic red RAL 3020 | 8 | M16x1,5 | 21,6 | 72,6 | 42 | 26 | 17,7 | 8,1 | 10 | 19 | 2,3 | 15 | 35 |  | | 17.03 € | | | B0598.061020148 | C | traffic red RAL 3020 | 10 | M20x1,5 | 24,8 | 82,3 | 51,6 | 30 | 21,5 | 9,5 | 12 | 22 | 2,8 | 20 | 60 |  | | 19.29 € | | | B0598.060510186 | C | signal green RAL 6032 | 5 | M10x1 | 16 | 46,7 | 26,3 | 15 | 10,9 | 4,9 | 6 | 13 | 1,3 | 8 | 14 |  | | 13.94 € | | | B0598.060612186 | C | signal green RAL 6032 | 6 | M12x1,5 | 17,4 | 56,5 | 31,5 | 19 | 13 | 5,8 | 8 | 14 | 1,8 | 8 | 15 |  | | 14.24 € | | | B0598.060816186 | C | signal green RAL 6032 | 8 | M16x1,5 | 21,6 | 72,6 | 42 | 26 | 17,7 | 8,1 | 10 | 19 | 2,3 | 15 | 35 |  | | 17.03 € | | | B0598.061020186 | C | signal green RAL 6032 | 10 | M20x1,5 | 24,8 | 82,3 | 51,6 | 30 | 21,5 | 9,5 | 12 | 22 | 2,8 | 20 | 60 |  | | 19.29 € | | | B0598.060510187 | C | traffic blue RAL 5017 | 5 | M10x1 | 16 | 46,7 | 26,3 | 15 | 10,9 | 4,9 | 6 | 13 | 1,3 | 8 | 14 |  | | 13.94 € | | | B0598.060612187 | C | traffic blue RAL 5017 | 6 | M12x1,5 | 17,4 | 56,5 | 31,5 | 19 | 13 | 5,8 | 8 | 14 | 1,8 | 8 | 15 |  | | 14.24 € | | | B0598.060816187 | C | traffic blue RAL 5017 | 8 | M16x1,5 | 21,6 | 72,6 | 42 | 26 | 17,7 | 8,1 | 10 | 19 | 2,3 | 15 | 35 |  | | 17.03 € | | | B0598.061020187 | C | traffic blue RAL 5017 | 10 | M20x1,5 | 24,8 | 82,3 | 51,6 | 30 | 21,5 | 9,5 | 12 | 22 | 2,8 | 20 | 60 |  | | 19.29 € | | | B0598.060510188 | C | light grey RAL 7035 | 5 | M10x1 | 16 | 46,7 | 26,3 | 15 | 10,9 | 4,9 | 6 | 13 | 1,3 | 8 | 14 |  | | 13.94 € | | | B0598.060612188 | C | light grey RAL 7035 | 6 | M12x1,5 | 17,4 | 56,5 | 31,5 | 19 | 13 | 5,8 | 8 | 14 | 1,8 | 8 | 15 |  | | 14.24 € | | | B0598.060816188 | C | light grey RAL 7035 | 8 | M16x1,5 | 21,6 | 72,6 | 42 | 26 | 17,7 | 8,1 | 10 | 19 | 2,3 | 15 | 35 |  | | 17.03 € | | | B0598.061020188 | C | light grey RAL 7035 | 10 | M20x1,5 | 24,8 | 82,3 | 51,6 | 30 | 21,5 | 9,5 | 12 | 22 | 2,8 | 20 | 60 |  | | 19.29 € | |
|
Cam-action indexing plunger, steel with internal guide, Form D, with grip cap, with nut |
More information |
| Order No. | Form | Component colour | D | D1 | D2 | L | L1 | L3 | B | B1 | H | SW1 | SW2 | Fx30° | Spring force initial pressure F1 approx. N | Spring force final pressure F2 approx. N | CAD | Acc. | Price | Order |
|---|
| B0598.0705101 | D | black grey RAL 7021 | 5 | M10x1 | 16 | 46,7 | 26,3 | 15 | 10,9 | 4,9 | 6 | 13 | 17 | 1,3 | 8 | 14 |  | | 14.06 € | | | B0598.0706121 | D | black grey RAL 7021 | 6 | M12x1,5 | 17,4 | 56,5 | 31,5 | 19 | 13 | 5,8 | 8 | 14 | 19 | 1,8 | 8 | 15 |  | | 14.36 € | | | B0598.0708161 | D | black grey RAL 7021 | 8 | M16x1,5 | 21,6 | 72,6 | 42 | 26 | 17,7 | 8,1 | 10 | 19 | 24 | 2,3 | 15 | 35 |  | | 17.16 € | | | B0598.0710201 | D | black grey RAL 7021 | 10 | M20x1,5 | 24,8 | 82,3 | 51,6 | 30 | 21,5 | 9,5 | 12 | 22 | 30 | 2,8 | 20 | 60 |  | | 19.60 € | | | B0598.07051012 | D | orange RAL 2004 | 5 | M10x1 | 16 | 46,7 | 26,3 | 15 | 10,9 | 4,9 | 6 | 13 | 17 | 1,3 | 8 | 14 |  | | 14.06 € | | | B0598.07061212 | D | orange RAL 2004 | 6 | M12x1,5 | 17,4 | 56,5 | 31,5 | 19 | 13 | 5,8 | 8 | 14 | 19 | 1,8 | 8 | 15 |  | | 14.36 € | | | B0598.07081612 | D | orange RAL 2004 | 8 | M16x1,5 | 21,6 | 72,6 | 42 | 26 | 17,7 | 8,1 | 10 | 19 | 24 | 2,3 | 15 | 35 |  | | 17.16 € | | | B0598.07102012 | D | orange RAL 2004 | 10 | M20x1,5 | 24,8 | 82,3 | 51,6 | 30 | 21,5 | 9,5 | 12 | 22 | 30 | 2,8 | 20 | 60 |  | | 19.60 € | | | B0598.070510116 | D | colza yellow RAL 1021 | 5 | M10x1 | 16 | 46,7 | 26,3 | 15 | 10,9 | 4,9 | 6 | 13 | 17 | 1,3 | 8 | 14 |  | | 14.06 € | | | B0598.070612116 | D | colza yellow RAL 1021 | 6 | M12x1,5 | 17,4 | 56,5 | 31,5 | 19 | 13 | 5,8 | 8 | 14 | 19 | 1,8 | 8 | 15 |  | | 14.36 € | | | B0598.070816116 | D | colza yellow RAL 1021 | 8 | M16x1,5 | 21,6 | 72,6 | 42 | 26 | 17,7 | 8,1 | 10 | 19 | 24 | 2,3 | 15 | 35 |  | | 17.16 € | | | B0598.071020116 | D | colza yellow RAL 1021 | 10 | M20x1,5 | 24,8 | 82,3 | 51,6 | 30 | 21,5 | 9,5 | 12 | 22 | 30 | 2,8 | 20 | 60 |  | | 19.60 € | | | B0598.070510148 | D | traffic red RAL 3020 | 5 | M10x1 | 16 | 46,7 | 26,3 | 15 | 10,9 | 4,9 | 6 | 13 | 17 | 1,3 | 8 | 14 |  | | 14.06 € | | | B0598.070612148 | D | traffic red RAL 3020 | 6 | M12x1,5 | 17,4 | 56,5 | 31,5 | 19 | 13 | 5,8 | 8 | 14 | 19 | 1,8 | 8 | 15 |  | | 14.36 € | | | B0598.070816148 | D | traffic red RAL 3020 | 8 | M16x1,5 | 21,6 | 72,6 | 42 | 26 | 17,7 | 8,1 | 10 | 19 | 24 | 2,3 | 15 | 35 |  | | 17.16 € | | | B0598.071020148 | D | traffic red RAL 3020 | 10 | M20x1,5 | 24,8 | 82,3 | 51,6 | 30 | 21,5 | 9,5 | 12 | 22 | 30 | 2,8 | 20 | 60 |  | | 19.60 € | | | B0598.070510186 | D | signal green RAL 6032 | 5 | M10x1 | 16 | 46,7 | 26,3 | 15 | 10,9 | 4,9 | 6 | 13 | 17 | 1,3 | 8 | 14 |  | | 14.06 € | | | B0598.070612186 | D | signal green RAL 6032 | 6 | M12x1,5 | 17,4 | 56,5 | 31,5 | 19 | 13 | 5,8 | 8 | 14 | 19 | 1,8 | 8 | 15 |  | | 14.36 € | | | B0598.070816186 | D | signal green RAL 6032 | 8 | M16x1,5 | 21,6 | 72,6 | 42 | 26 | 17,7 | 8,1 | 10 | 19 | 24 | 2,3 | 15 | 35 |  | | 17.16 € | | | B0598.071020186 | D | signal green RAL 6032 | 10 | M20x1,5 | 24,8 | 82,3 | 51,6 | 30 | 21,5 | 9,5 | 12 | 22 | 30 | 2,8 | 20 | 60 |  | | 19.60 € | | | B0598.070510187 | D | traffic blue RAL 5017 | 5 | M10x1 | 16 | 46,7 | 26,3 | 15 | 10,9 | 4,9 | 6 | 13 | 17 | 1,3 | 8 | 14 |  | | 14.06 € | | | B0598.070612187 | D | traffic blue RAL 5017 | 6 | M12x1,5 | 17,4 | 56,5 | 31,5 | 19 | 13 | 5,8 | 8 | 14 | 19 | 1,8 | 8 | 15 |  | | 14.36 € | | | B0598.070816187 | D | traffic blue RAL 5017 | 8 | M16x1,5 | 21,6 | 72,6 | 42 | 26 | 17,7 | 8,1 | 10 | 19 | 24 | 2,3 | 15 | 35 |  | | 17.16 € | | | B0598.071020187 | D | traffic blue RAL 5017 | 10 | M20x1,5 | 24,8 | 82,3 | 51,6 | 30 | 21,5 | 9,5 | 12 | 22 | 30 | 2,8 | 20 | 60 |  | | 19.60 € | | | B0598.070510188 | D | light grey RAL 7035 | 5 | M10x1 | 16 | 46,7 | 26,3 | 15 | 10,9 | 4,9 | 6 | 13 | 17 | 1,3 | 8 | 14 |  | | 14.06 € | | | B0598.070612188 | D | light grey RAL 7035 | 6 | M12x1,5 | 17,4 | 56,5 | 31,5 | 19 | 13 | 5,8 | 8 | 14 | 19 | 1,8 | 8 | 15 |  | | 14.36 € | | | B0598.070816188 | D | light grey RAL 7035 | 8 | M16x1,5 | 21,6 | 72,6 | 42 | 26 | 17,7 | 8,1 | 10 | 19 | 24 | 2,3 | 15 | 35 |  | | 17.16 € | | | B0598.071020188 | D | light grey RAL 7035 | 10 | M20x1,5 | 24,8 | 82,3 | 51,6 | 30 | 21,5 | 9,5 | 12 | 22 | 30 | 2,8 | 20 | 60 |  | | 19.60 € | |
|
Other items in this category |
|
|