Product groups
Tension levers internal thread
B0251

Tension levers internal thread

go back

Item description/product images

Show/filter all items
DescriptionMaterial:Steel parts grade 5.8.
Ball knob black plastic.
Version:Powder-coated with fine texture, black.On request:Other threads and special versions.
Dimensions “H1” and “A” available in other lengths at extra charge.
Special features:
RoHS
DownloadHere is all the information as a PDF datasheet:

Are you looking for CAD data? These can be found directly in the product table.
 Datasheet B0251 Tension levers internal thread 168 kB

Drawings (total overview)

Tension levers internal thread

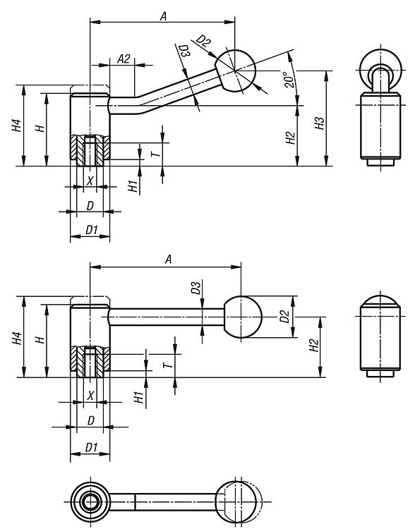
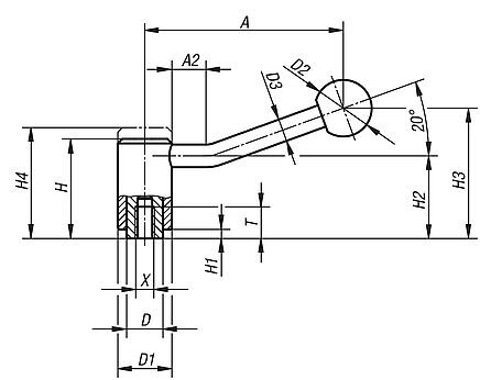
Tension levers with internal thread, 0 degrees

More information

Drawings

Tension levers with internal thread, 0 degrees

Item selection/filter

Order No.FormXTA=Handle lengthDD1D2D3HH1H2H4No. of
teeth
CADAcc.PriceOrder
B0251.1082M814921624251044,54,53749,522 13.77 €
B0251.1102M1014921624251044,54,53749,522 13.77 €
B0251.2102M10171111928321251,55,54257,524 17.07 €
B0251.2122M12171111928321251,55,54257,524 17.07 €
B0251.3122M1223134,523333213586476526 20.71 €
B0251.3162M1623134,523333213586476526 20.71 €
B0251.4162M16271343041321368,57,556,576,536 24.41 €
B0251.4202M20271343041321368,57,556,576,536 24.41 €
B0251.4242M24271343041321368,57,556,576,536 26.01 €

Tension levers with internal thread, 20 degrees

More information

Drawings

Tension levers with internal thread, 20 degrees

Item selection/filter

Order No.FormXTAA2DD1D2D3HH1H2H3H4No. of
teeth
CADAcc.PriceOrder
B0251.108120°M81488151624251044,54,53758,549,522 13.77 €
B0251.110120°M101488151624251044,54,53758,549,522 13.77 €
B0251.210120°M1017106151928321251,55,54268,557,524 17.07 €
B0251.212120°M1217106151928321251,55,54268,557,524 17.07 €
B0251.312120°M1223128,5152333321358647816526 20.71 €
B0251.316120°M1623128,5152333321358647816526 20.71 €
B0251.416120°M1627128,5153041321368,57,556,589,576,536 24.41 €
B0251.420120°M2027128,5153041321368,57,556,589,576,536 24.41 €
B0251.424120°M2427128,5153041321368,57,556,589,576,536 26.01 €
Search
Shopping cart
Number of items: 0
Amount: 0.00  
Display
Speed ordering
Germany
Sitemap Print Top
Copyright © 2025 NORMTEILWERK ROBERT BLOHM GmbH. All rights reserved. Tel. +49 (0) 41 55 / 80 08-0 · Fax +49 (0) 41 55 / 81 11 31