Product groups
Tension levers, flat, external thread
B0250

Tension levers, flat, external thread

go back

Item description/product images

Show/filter all items
DescriptionMaterial:Steel parts grade 5.8.
Ball knob black plastic.
Version:Black oxidised.On request:Other threads, screw lengths and special versions.
Dimensions “H1” and “A” available in other lengths at extra charge.
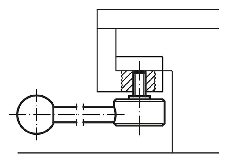
Drawing reference:
1) flat point DIN EN ISO 4753
Special features:
RoHS
DownloadHere is all the information as a PDF datasheet:

Are you looking for CAD data? These can be found directly in the product table.
 Datasheet B0250 Tension levers flat external thread 241 kB

Drawings (total overview)

Tension levers, flat, external thread

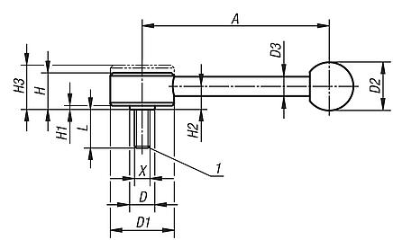
Tension levers, flat, external thread, 0°

More information

Drawings

Tension levers, flat, external thread, 0°

Overview of items (compressed)

Item selection/filter
Order No.FormXA=Handle lengthDD1D2D3HH1H2H3LNo. of
teeth
Filter
B0250.1081X15M810213,5332510192122315/20/25/30/40/50/6020
B0250.1101X15M1010213,5332510192122315/20/25/30/40/50/6020
B0250.2101X20M101311941301222213,52620/25/30/40/50/6024
B0250.2121X20M121311941301222213,52620/25/30/40/50/6024
B0250.3121X20M1214823453714282173320/25/30/40/50/6026
B0250.3161X20M1614823453714282173320/25/30/40/50/6026

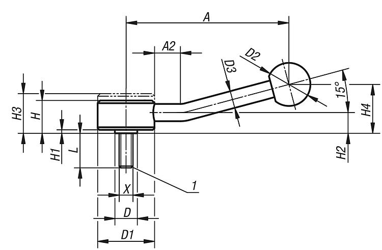
Tension levers, flat, external thread, 15°

More information

Drawings

Tension levers, flat, external thread, 15°

Overview of items (compressed)

Item selection/filter
Order No.FormXA=Handle lengthA2DD1D2D3HH1H2H3H4No. of
teeth
LFilter
B0250.1082X1515°M81001513,53325101921223292015/20/25/30/40/50/60
B0250.1102X1515°M101001513,53325101921223292015/20/25/30/40/50/60
B0250.2102X2015°M10127151941301222213,526382420/25/30/40/50/60
B0250.2122X2015°M12127151941301222213,526382420/25/30/40/50/60
B0250.3122X2015°M1214515234537142821733482620/25/30/40/50/60
B0250.3162X2015°M1614515234537142821733482620/25/30/40/50/60
Search
Shopping cart
Number of items: 0
Amount: 0.00  
Display
Speed ordering
Germany
Sitemap Print Top
Copyright © 2025 NORMTEILWERK ROBERT BLOHM GmbH. All rights reserved. Tel. +49 (0) 41 55 / 80 08-0 · Fax +49 (0) 41 55 / 81 11 31