Product groups
Self-aligning pads with o-ring
B0149

Self-aligning pads with o-ring

go back

Item description/product images

Show/filter all items
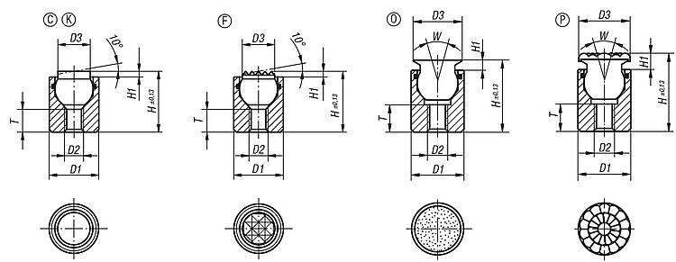
DescriptionMaterial:Body carbon steel.
Ball:
Form C, F tool steel.
Form K POM.
Form O stainless steel diamond impregnated.
Form P stainless steel with polyurethane face.
Version:Body tempered, black oxidised.
Ball:
Form C, F hardened, black oxidised.
Form K POM ball, white.
Form O surface comparable to 100 grade abrasive grit.
Form P polyurethane, hardness 60 Shore.
Note:Self-aligning pads are used to support and clamp unmachined and machined workpieces.
They also serve as stops, supports and thrust pads in fixtures and toolmaking.

Ball secured against rotation.

Form O: The abrasive diamond surface is fused firmly to the ball. It is ideally suited to supporting smooth or slippery applications with a minimum of clamping pressure. This allows the diamond particles to get a firm grip on a very small area with minimum damage to the surface. The diamond surface offers excellent wear resistance.

Form P: The polyurethane surface is permanently vulcanised on the ball. It is abrasion-resistant and does not discolour. Offers optimum protection against damage to delicate surfaces. The pearl-like surface gives a firm grip and allows air to escape so as to prevent any suction effect between the contact surface and the self-aligning pads.
Advantages:The built-in O-ring holds the ball in place and keeps dirt and foreign particles out ensuring smooth and even movement.
DownloadHere is all the information as a PDF datasheet:

Are you looking for CAD data? These can be found directly in the product table.
 Datasheet B0149 Self-aligning pads with o-ring 184 kB

Drawings (total overview)

Self-aligning pads with o-ring

Self-aligning pads with O-ring, Form C, flattened steel ball smooth

More information

Drawings

Self-aligning pads with O-ring, Form C, flattened steel ball smooth

Item selection/filter

Order No.FormD1D2D3HH1TBall-ØLoad rating
max. kN
(static load only)
CADAcc.PriceOrder
B0149.104X012C10M46121,54,5712 35.40 €
B0149.104X025C10M46251,512712 36.69 €
B0149.105X016C13M58,5161,551020 39.32 €
B0149.105X025C13M58,5251,5121020 40.58 €

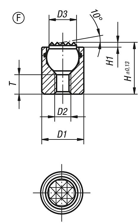
Self-aligning pads with O-ring, Form F, flattened ball with diamond grip

More information

Drawings

Self-aligning pads with O-ring, Form F, flattened ball with diamond grip

Item selection/filter

Order No.FormD1D2D3HH1TBall-ØLoad rating
max. kN
(static load only)
CADAcc.PriceOrder
B0149.304X012F10M46121,54,5712 37.99 €
B0149.304X025F10M46251,512712 40.10 €
B0149.305X016F13M58,5161,551020 42.20 €
B0149.305X025F13M58,5251,5121020 43.34 €

Self-aligning pads with O-ring, Form K, flattened POM ball smooth

More information

Drawings

Self-aligning pads with O-ring, Form K, flattened POM ball smooth

Item selection/filter

Order No.FormD1D2D3HH1TBall-ØLoad rating
max. kN
(static load only)
CADAcc.PriceOrder
B0149.704X012K10M46121,54,572 34.08 €
B0149.704X025K10M46251,51272 35.07 €
B0149.705X016K13M58,5161,55104 37.99 €
B0149.705X025K13M58,5251,512104 39.09 €

Self-aligning pads with O-ring, Form O, stainless steel ball with diamond impregnated face

More information

Drawings

Self-aligning pads with O-ring, Form O, stainless steel ball with diamond impregnated face

Item selection/filter

Order No.FormD1D2D3HH1TWBall-ØLoad rating
max. kN
(static load only)
CADAcc.PriceOrder
B0149.504X012O10M4812,523,528711,5 39.52 €
B0149.504X025O10M4825,52928711,5 41.65 €
B0149.505X017O13M51117,536,5281019,8 42.45 €
B0149.505X026O13M51126,539281019,8 43.52 €
B0149.506X021O17M6142137,5281327,4 45.89 €
B0149.508X024O19M8192448,5241538,6 52.89 €
B0149.510X028O24M10212849242058,3 58.13 €

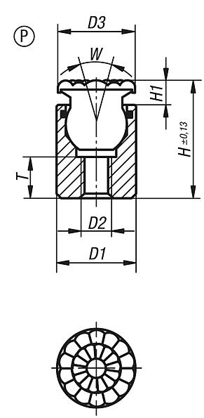
Self-aligning pads with O-ring, Form P, stainless steel insert with polythene face

More information

Drawings

Self-aligning pads with O-ring, Form P, stainless steel insert with polythene face

Item selection/filter

Order No.Form

D1D2D3HH1WTBall-ØCADAcc.PriceOrder
B0149.604X014P10M41014,54283,57 38.42 €
B0149.604X027P10M41027,542897 40.57 €
B0149.605X019P13M51319,55286,510 40.47 €
B0149.605X028P13M51328,5528910 41.59 €
B0149.606X023P17M616235287,513 43.78 €
B0149.608X026P19M821266248,515 49.94 €
B0149.610X030P24M102330624920 58.03 €
Search
Shopping cart
Number of items: 0
Amount: 0.00  
Display
Speed ordering
Germany
Sitemap Print Top
Copyright © 2025 NORMTEILWERK ROBERT BLOHM GmbH. All rights reserved. Tel. +49 (0) 41 55 / 80 08-0 · Fax +49 (0) 41 55 / 81 11 31