Product groups
Grippers, tool steel, rectangular
with counterbore
B0586

Grippers, tool steel, rectangular with counterbore

go back

Item description/product images

DescriptionProduct description:Grippers and inserts are perfect for use in clamping arms, gripper systems, clamping fixtures, clamping jaws and jaw plates. Grippers can be used to transfer the highest torques and above-average clamping forces, even with hard materials and surface irregularities.Material:Tool steel.Version:Hardened, black oxidised.Accessory:B0123 Socket head screws, thread up to head DIN 912.
B0127 Socket head screws, low profile head DIN 6912.
B0124 Socket head screws, DIN EN ISO 4762 extended, steel or stainless steel.
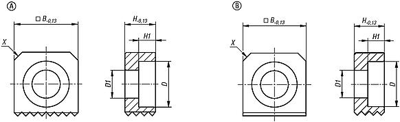
Drawing reference:
Form A: serrated
Form B: wedge shaped
Special features:
RoHS
DownloadHere is all the information as a PDF datasheet:

Are you looking for CAD data? These can be found directly in the product table.
 B0586_Datasheet_33857_Grippers_tool_steel_rectangular_with_counterbore--en 171 kB

Drawings (total overview)

Grippers, tool steel, rectangular
with counterbore

[-de-] Grippers, Werkzeugstahl, viereckig
mit Senkbohrung, Form A geriffelt

More information

Drawings

Item selection/filter

Order No.

FormVersion 1BHH1DD1for
screws
SerrationXCADAcc.PriceOrder
B0586.12061Aserrated1264,0684,5M4fine2,3x45° 16.07 €
B0586.12101Aserrated12104,0684,5M4fine2,3x45° 17.69 €
B0586.12121Aserrated12124,0684,5M4fine2,3x45° 19.47 €
B0586.16061Aserrated1664,2116,6M6fine3,2x45° 20.57 €
B0586.16101Aserrated16104,2116,6M6fine3,2x45° 22.62 €
B0586.16121Aserrated16124,2116,6M6fine3,2x45° 24.88 €
B0586.20061Aserrated2065,08159M8fine3,2x45° 26.67 €
B0586.20101Aserrated20105,08159M8fine3,2x45° 29.32 €
B0586.20121Aserrated20125,08159M8fine3,2x45° 30.78 €
B0586.25101Aserrated25106,61811M10fine3,2x45° 34.67 €
B0586.25121Aserrated25126,61811M10fine3,2x45° 36.40 €

[-de-] Grippers, Werkzeugstahl, viereckig
mit Senkbohrung, Form B keilförmig

More information

Drawings

Item selection/filter

Order No.

FormVersion 1BHH1DD1for
screws
SerrationXCADAcc.PriceOrder
B0586.12062Bwedge-shaped1264,0684,5M4fine2,3x45° 16.07 €
B0586.12102Bwedge-shaped12104,0684,5M4fine2,3x45° 17.52 €
B0586.12122Bwedge-shaped12124,0684,5M4fine2,3x45° 19.10 €
B0586.16062Bwedge-shaped1664,2116,6M6fine3,2x45° 20.57 €
B0586.16102Bwedge-shaped16104,2116,6M6fine3,2x45° 22.42 €
B0586.16122Bwedge-shaped16124,2116,6M6fine3,2x45° 24.44 €
B0586.20062Bwedge-shaped2065,08159M8fine3,2x45° 26.67 €
B0586.20102Bwedge-shaped20105,08159M8fine3,2x45° 29.05 €
B0586.20122Bwedge-shaped20125,08159M8fine3,2x45° 30.50 €
B0586.25102Bwedge-shaped25106,61811M10fine3,2x45° 32.48 €
B0586.25122Bwedge-shaped25126,61811M10fine3,2x45° 34.10 €
Search
Shopping cart
Number of items: 0
Amount: 0.00  
Display
Speed ordering
Germany
Sitemap Print Top
Copyright © 2025 NORMTEILWERK ROBERT BLOHM GmbH. All rights reserved. Tel. +49 (0) 41 55 / 80 08-0 · Fax +49 (0) 41 55 / 81 11 31