Product groups
Mandrel colletswith side lock
B0424

Mandrel collets with side lock

go back

Item description/product images

Show/filter all items
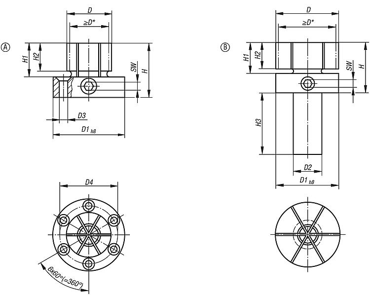
DescriptionMaterial:Mandrel mild steel.
Clamping screw carbon steel.
Version:Mandrel black oxidised.
Clamping screw tempered to 10.9, hardened and PTFE coated.
Note:The side lock make these mandrel collets ideal for finish machining parts with blind internal diameters. The diameter “D” can be turned or milled to suit the workpiece ID.

Manual tightening with hexagon socket wrench.

* D min. = smallest diameter to which “D” may be turned or milled.
Assembly:Expand the mandrel approx. 0.1 mm over the relaxed diameter. Turn or mill the mandrel to suit the internal diameter of the workpiece. A locking ring is included for machining.
The shank or flange is centred in a reamed hole or pocket.
Form A is supplied with 6 fastening screws.
Drawing reference:
Form A:
for machining centres, drilling and milling machines
Form B:
with shaft for holding in lathe chucks
Special features:
RoHS
DownloadHere is all the information as a PDF datasheet:

Are you looking for CAD data? These can be found directly in the product table.
 Datasheet B0424 Mandrel colletswith side lock 241 kB

Drawings (total overview)

Mandrel colletswith side lock

Mandrel collets with side lock, Form A for work centres, drills and milling machines

More information

Drawings

Mandrel collets with side lock, Form A for work centres, drills and milling machines

Item selection/filter

Order No.FormDD
min.
D1D3
for screw
ISO 10642
D4HH1H2SWTightening
torque
max. Nm
Clamping
force
max. kN
CADAcc.PriceOrder
B0424.118029A28,717,850M439,441,322,417,566620 210.31 €

Mandrel collets with side lock, Form B with shaft for holding in lathe chucks

More information

Drawings

Mandrel collets with side lock, Form B with shaft for holding in lathe chucks

Item selection/filter

Order No.FormDD
min.
D1D2HH1H2H3SWTightening
torque
max. Nm
Clamping
force
max. kN
CADAcc.PriceOrder
B0424.218053B53,31853,32544,425,4214566620 308.42 €
Search
Shopping cart
Number of items: 0
Amount: 0.00  
Display
Speed ordering
Germany
Sitemap Print Top
Copyright © 2025 NORMTEILWERK ROBERT BLOHM GmbH. All rights reserved. Tel. +49 (0) 41 55 / 80 08-0 · Fax +49 (0) 41 55 / 81 11 31