Warengruppen
Schnellspanner vertikal mit waagrechtem Fuß und verstellbarer Andruckspindel
B0634

Schnellspanner vertikal mit waagrechtem Fuß und verstellbarer...

zurück

Artikelbeschreibung/Produktabbildungen

BeschreibungWerkstoff:Stahl oder Edelstahl.Ausführung:verzinkt und passiviert.
Andruckspindel und Muttern phosphatiert.
Edelstahl blank.
Kunststoffgriff ölbeständig.
Hinweis:Der Öffnungswinkel von Haltearm und Griff kann durch Neupositionieren oder Entfernen des Anschlagstiftes verkleinert bzw. vergrößert werden.

Bei den Ausführungen B0634.0075, B0634.0100 und B0634.0150 wird ein Neoprendruckstück mitgeliefert.

Bei den Ausführungen B0634.0075N, B0634.0150N und B0634.0250N ist der Befestigungswinkel in Edelstahl nicht lieferbar.
Zubehör:B0655
B0656
B0657
B0658
B0661
B0662
B0663
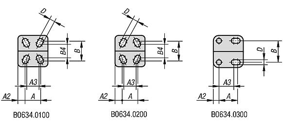
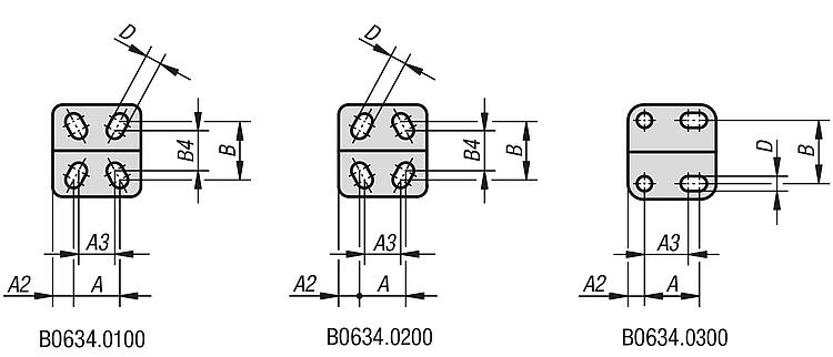
Zeichnungshinweis:
1) Anschlagstift Position 1
2) Anschlagstift Position 2
Besonderheiten:
RoHS
DownloadHier gibt es die Informationen gesammelt als PDF:

Suchen Sie CAD Daten? Diese finden Sie direkt in der Produkttabelle.
 Datenblatt B0634 Schnellspanner vertikal mit waagrechtem Fuß und verstellbarer Andruckspindel 330 kB

Zeichnungen

Schnellspanner vertikal mit waagrechtem Fuß und verstellbarer Andruckspindel
Schnellspanner vertikal mit waagrechtem Fuß und verstellbarer Andruckspindel

Artikelauswahl/-filter

BestellnummerMaterial
Grundkörper
Öffnungswinkel
Haltearm
Position 1
Öffnungswinkel
Haltearm
Position 2
Öffnungswinkel
Haltearm
ohne Anschlag
Öffnungswinkel
Griff
Position 1
Öffnungswinkel
Griff
Position 2
Öffnungswinkel
Griff
ohne Anschlag
Bestellnummer
Befestigungswinkel
passender
Kunststoffgriff
CADZub.PreisBestellen
B0634.0075Stahl130°-160°90°-100°B0663.02B0655.16  12,31 €
B0634.0100Stahl95°-185°65°-105°-B0655.16  12,15 €
B0634.0150Stahl95°-185°75°-110°B0663.02B0655.19  13,98 €
B0634.0200Stahl105°-175°70°-95°-B0655.22  15,59 €
B0634.0250Stahl95°125°160°70°85°100°B0663.04B0655.28  21,64 €
B0634.0300Stahl105°-160°65°-90°-B0655.28  26,02 €
B0634.0350Stahl90°120°180°70°80°110°B0663.06B0655.30  28,98 €
B0634.0450Stahl90°125°180°70°85°110°B0663.06B0655.34  36,86 €
B0634.0550Stahl90°120°180°65°80°110°-B0655.35  49,45 €
B0634.0075NEdelstahl130°-160°90°-100°-B0655.16  31,02 €
B0634.0150NEdelstahl95°-185°75°-110°-B0655.19  39,86 €
B0634.0250NEdelstahl95°125°160°70°85°100°-B0655.28  55,74 €
Bestellnummer
 
Material
Grundkörper
AA1A2A3BB1B3B4CC1DHLL1MHandkraft
FH
N
Haltekraft
F1
N
Haltekraft
F2
N
Spannkraft
F3
N
Spannkraft
F4
N
CADZub.PreisBestellen
B0634.0075Stahl16255-24345,5-1694,4945732M5x35807001100500750  12,31 €
B0634.0100Stahl162961424345,517,5229,54,8986738M5x35807001000500800  12,15 €
B0634.0150Stahl12,7277-27386,4-23115,11217043M6x50120135016508001050  13,98 €
B0634.0200Stahl1935812,727426,3253012,75,51357944M6x50100100022009501350  15,59 €
B0634.0250Stahl19358-32478,8-3217,57,117511075M8x60190100028009001700  21,64 €
B0634.0300Stahl254391934,5538,8-34198186143100M8x60130200037009001850  26,02 €
B0634.0350Stahl32509-456410,6-43228,322014595M10x802302200450014003000  28,98 €
B0634.0450Stahl325310-456412,7-51258,7228177124M12x1002603200700014003000  36,86 €
B0634.0550Stahl517612,5-709516,5-843212,3312232156M16x1502903000800018003900  49,45 €
B0634.0075NEdelstahl16255-24345,5-1694,4945732M5x35807001100500750  31,02 €
B0634.0150NEdelstahl12,7277-27386,4-23115,11217043M6x50120135016508001050  39,86 €
B0634.0250NEdelstahl19358-32478,8-3217,57,117511075M8x60190100028009001700  55,74 €
Suche
MeinACCOUNTE-MailPasswort
Warenkorb
Artikelanzahl: 0
Summe: 0,00  
Anzeigen
Schnellbestellung
Deutschland
Sitemap Drucken Top
Copyright © 2025 NORMTEILWERK ROBERT BLOHM GmbH. All rights reserved. Tel. +49 (0) 41 55 / 80 08-0 · Fax +49 (0) 41 55 / 81 11 31