Warengruppen
Schnellspanner vertikal mit Winkelfuß und vollem Haltearm
B0640

Schnellspanner vertikal mit Winkelfuß und vollem Haltearm

zurück

Artikelbeschreibung/Produktabbildungen

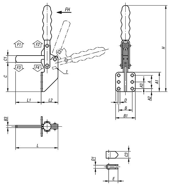
BeschreibungWerkstoff:Stahl.Ausführung:verzinkt und passiviert.
Kunststoffgriff ölbeständig.
Hinweis:Der Öffnungswinkel von Haltearm und Griff kann durch Neupositionieren oder Entfernen des Anschlagstiftes verkleinert bzw. vergrößert werden.
Spindelschelle anschweißbar.
Zubehör:B0655
B0656
B0657
B0658
B0661
Zeichnungshinweis:
1) Position 1
Besonderheiten:
RoHS
DownloadHier gibt es die Informationen gesammelt als PDF:

Suchen Sie CAD Daten? Diese finden Sie direkt in der Produkttabelle.
 Datenblatt B0640 Schnellspanner vertikal mit Winkelfuß und vollem Haltearm 171 kB

Zeichnungen

Schnellspanner vertikal mit Winkelfuß und vollem Haltearm

Artikelübersicht (komprimiert)

Artikelauswahl/-filter
BestellnummerÖffnungswinkel
Haltearm
Position 1
Öffnungswinkel
Haltearm
ohne Anschlag
Öffnungswinkel
Griff
Position 1
Öffnungswinkel
Griff
ohne Anschlag
passender
Kunststoffgriff
CADZub.PreisBestellen
B0640.0300105°160°65°90°B0655.28  29,47 €
BestellnummerAA1A2A3BB1B3CC1C3DD1EHLL1L2M=AndruckspindelHandkraft
FH
N
Haltekraft
F1
N
Haltekraft
F2
N
Spannkraft
F3
N
Spannkraft
F4
N
CADZub.PreisBestellen
B0640.0300355181635516821917,56,88,3242351439251M8x60130200037009001850  29,47 €
Suche
MeinACCOUNTE-MailPasswort
Warenkorb
Artikelanzahl: 0
Summe: 0,00  
Anzeigen
Schnellbestellung
Deutschland
Sitemap Drucken Top
Copyright © 2025 NORMTEILWERK ROBERT BLOHM GmbH. All rights reserved. Tel. +49 (0) 41 55 / 80 08-0 · Fax +49 (0) 41 55 / 81 11 31