Warengruppen
Spannhebel Edelstahl mit Innengewinde
B0255

Spannhebel Edelstahl mit Innengewinde

zurück

Artikelbeschreibung/Produktabbildungen

Alle Artikel aufrufen/filtern
BeschreibungWerkstoff:

Stahlteile Edelstahl 1.4305.
Kunststoffkugelknopf schwarz.

Ausführung:Edelstahlteile blank.
Kugelknopf poliert.
Auf Anfrage:Weitere Innengewinde und Sonderausführungen.
Maße "H1" und "A" auf Wunsch in anderen Längen gegen Aufpreis lieferbar.
Besonderheiten:
EdelstahlRoHS
DownloadHier gibt es die Informationen gesammelt als PDF:

Suchen Sie CAD Daten? Diese finden Sie direkt in der Produkttabelle.
 Datenblatt B0255 Spannhebel Edelstahl mit Innengewinde 218 kB

Zeichnungen (Gesamtübersicht)

Spannhebel Edelstahl mit Innengewinde

Spannhebel Edelstahl mit Innengewinde, 0 Grad

mehr Info

Zeichnungen

Spannhebel Edelstahl mit Innengewinde, 0 Grad

Artikelauswahl/-filter

BestellnummerFormXTA=GrifflängeDD1D2D3HH1H2H4Zähnezahl

CADZub.PreisBestellen
B0255.1082M814921624251044,54,53749,522 25,17 €
B0255.1102M1014921624251044,54,53749,522 25,17 €
B0255.2102M10171111928321251,55,54257,524 29,67 €
B0255.2122M12171111928321251,55,54257,524 29,67 €
B0255.3122M1223134,523333213586476526 41,01 €
B0255.3162M1623134,523333213586476526 41,01 €
B0255.4162M16271343041321368,57,556,576,536 48,29 €
B0255.4202M20271343041321368,57,556,576,536 48,29 €

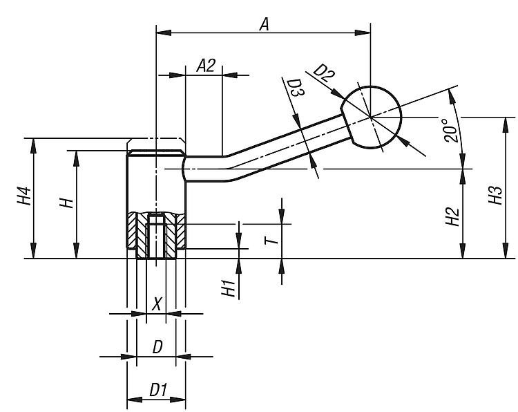
Spannhebel Edelstahl mit Innengewinde, 20 Grad

mehr Info

Zeichnungen

Spannhebel Edelstahl mit Innengewinde, 20 Grad

Artikelauswahl/-filter

BestellnummerFormXTAA2DD1D2D3HH1H2H3H4Zähnezahl

CADZub.PreisBestellen
B0255.108120°M81488151624251044,54,53758,549,522 25,17 €
B0255.110120°M101488151624251044,54,53758,549,522 25,17 €
B0255.210120°M1017106151928321251,55,54268,557,524 29,67 €
B0255.212120°M1217106151928321251,55,54268,557,524 29,67 €
B0255.312120°M1223128,5152333321358647816526 41,01 €
B0255.316120°M1623128,5152333321358647816526 41,01 €
B0255.416120°M1627128,5153041321368,57,556,589,576,536 48,29 €
B0255.420120°M2027128,5153041321368,57,556,589,576,536 48,29 €
Suche
MeinACCOUNTE-MailPasswort
Warenkorb
Artikelanzahl: 0
Summe: 0,00  
Anzeigen
Schnellbestellung
Deutschland
Sitemap Drucken Top
Copyright © 2025 NORMTEILWERK ROBERT BLOHM GmbH. All rights reserved. Tel. +49 (0) 41 55 / 80 08-0 · Fax +49 (0) 41 55 / 81 11 31